
AT1–22
AT340E (2JZ–GE) AUTOMATIC TRANSMISSION – ASSEMBLY REMOVAL AND INSTALLATION
ASSEMBLY REMOVAL AND
INSTALLATION
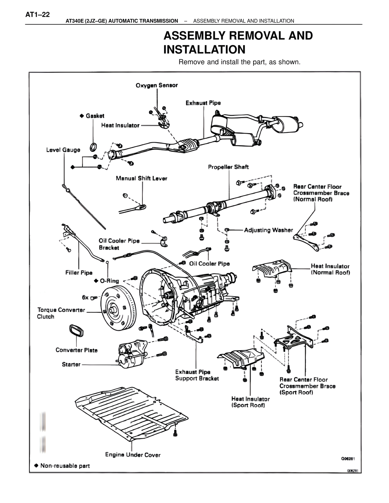
Remove and install the part, as shown.
Oxygen Sensor
Exhaust Pipe
♦ Gasket
Heat Insulator
Level Gauge
Propeller Shaft
Manual Shift Lever
Rear Center Floor
Crossmember Brace
(Normal Roof)
Adjusting Washer
Oil Cooler Pipe
Bracket
Oil Cooler Pipe
Heat Insulator
(Normal Roof)
Filler Pipe
♦ O-Ring
6x
Torque Converter
Clutch
Converter Plate
Starter
Exhaust Pipe
Support Bracket
Rear Center Floor
Crossmember Brace
(Sport Roof)
Heat Insulator
(Sport Roof)
Engine Under Cover
♦ Non-reusable part
Q06281