Sections
35 sections · 3,071 pages
AC
Air Conditioning
ATGE
A340 Automatic Trans (GE)
ATR
ATM Unit Repair
ATTE
A340 Automatic Trans (GTE)
BAT
Brakes, ABS & TRAC Systems
BE
Body Electrical Systems
BO
Body Mechanical
CH
Charging System
CL
Clutch System
CO
Cooling System
CR
Collision Repair
EGE
Emission System 2JZ-GE
EGTE
Emission System 2JZ-GTE
EM
Engine Mechanical
EMS
Engine Mechanical 1997 Supplement
IGE
Ignition System 2JZ-GE
IGS
Ignition 1997 Supplement
IGTE
Ignition System 2JZ-GTE
IN
Introduction
LU
Lubrication System
MA
Maintenance
PR
Propeller Shaft
PS
Steering
SA
Suspension & Axle
SFGE
SFI System 2JZ-GE
SFTE
SFI System 2JZ-GTE
SRS
Supplemental Restraint System
ST
Starting System
TC
Turbocharger System 2JZ-GTE
TGE
Troubleshooting 2JZ-GE
TGTE
Troubleshooting 2JZ-GTE
V160
V160/V161 Manual Transmission
W58
W58 Manual Transmission
WD
Wiring Diagrams
WH
Wire Harness
TSRM
›
MK4 Supra
›
Browse Manual
SEARCH
Ctrl+K
Sections
35 sections · 3,071 pages
AC
Air Conditioning
ATGE
A340 Automatic Trans (GE)
ATR
ATM Unit Repair
ATTE
A340 Automatic Trans (GTE)
BAT
Brakes, ABS & TRAC Systems
BE
Body Electrical Systems
BO
Body Mechanical
CH
Charging System
CL
Clutch System
CO
Cooling System
CR
Collision Repair
EGE
Emission System 2JZ-GE
EGTE
Emission System 2JZ-GTE
EM
Engine Mechanical
EMS
Engine Mechanical 1997 Supplement
IGE
Ignition System 2JZ-GE
IGS
Ignition 1997 Supplement
IGTE
Ignition System 2JZ-GTE
IN
Introduction
LU
Lubrication System
MA
Maintenance
PR
Propeller Shaft
PS
Steering
SA
Suspension & Axle
SFGE
SFI System 2JZ-GE
SFTE
SFI System 2JZ-GTE
SRS
Supplemental Restraint System
ST
Starting System
TC
Turbocharger System 2JZ-GTE
TGE
Troubleshooting 2JZ-GE
TGTE
Troubleshooting 2JZ-GTE
V160
V160/V161 Manual Transmission
W58
W58 Manual Transmission
WD
Wiring Diagrams
WH
Wire Harness
TSRM
/
MK4 Supra
/
Troubleshooting 2JZ-GE
/
p.66
← 065
TGE · 066
067 →
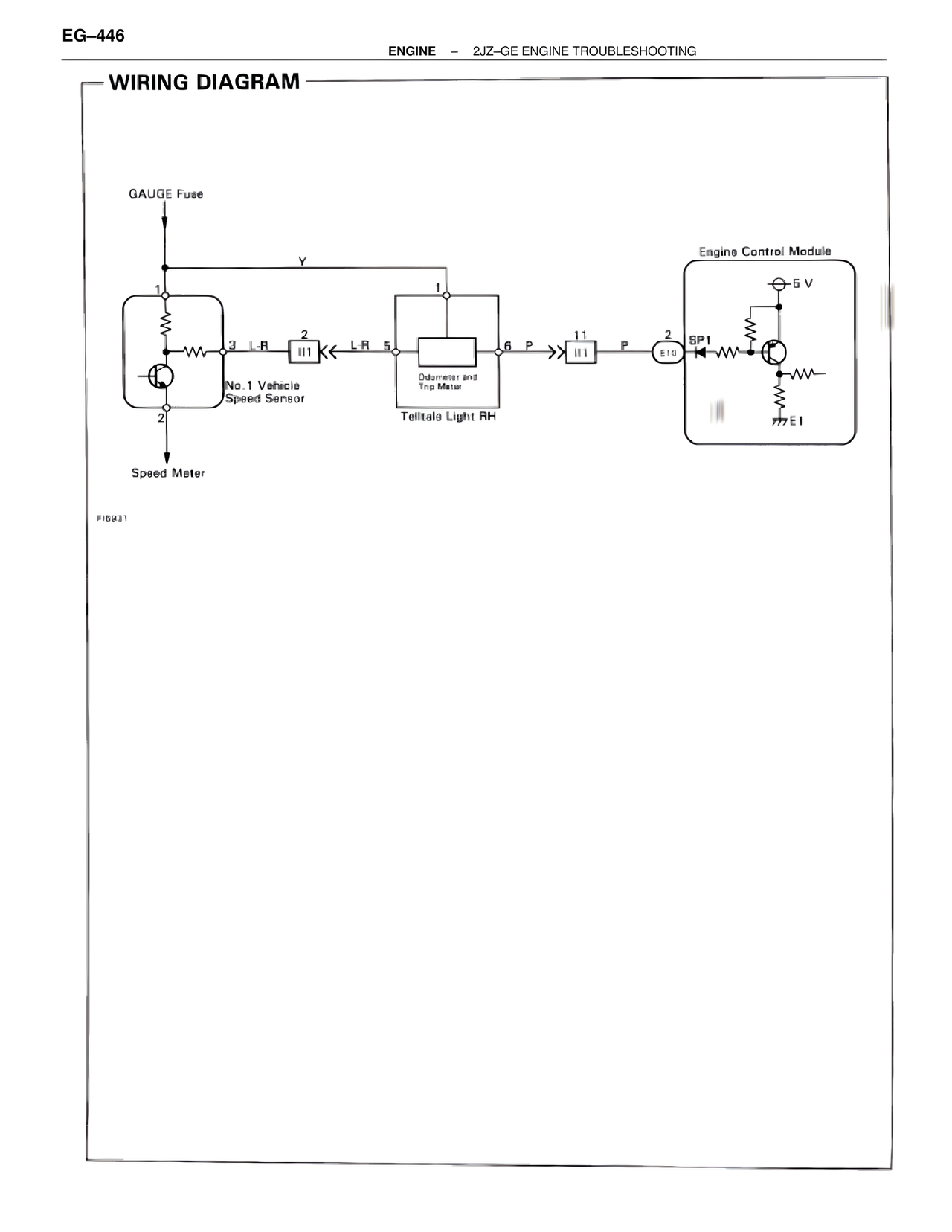
EG–446 ENGINE – 2JZ–GE ENGINE TROUBLESHOOTING WIRING DIAGRAM GAUGE Fuse Y Engine Control Module 5 V 1 1 3 L-R 2 II1 L-R 5 6 P 11 2 II1 P E10 SP1 No.1 Vehicle Speed Sensor Odometer and Trip Meter Telltale Light RH 2 Speed Meter E1 FI6931