
MT2–4
V160 MANUAL TRANSMISSION – ASSEMBLY REMOVAL AND INSTALLATION
ASSEMBLY REMOVAL AND
INSTALLATION
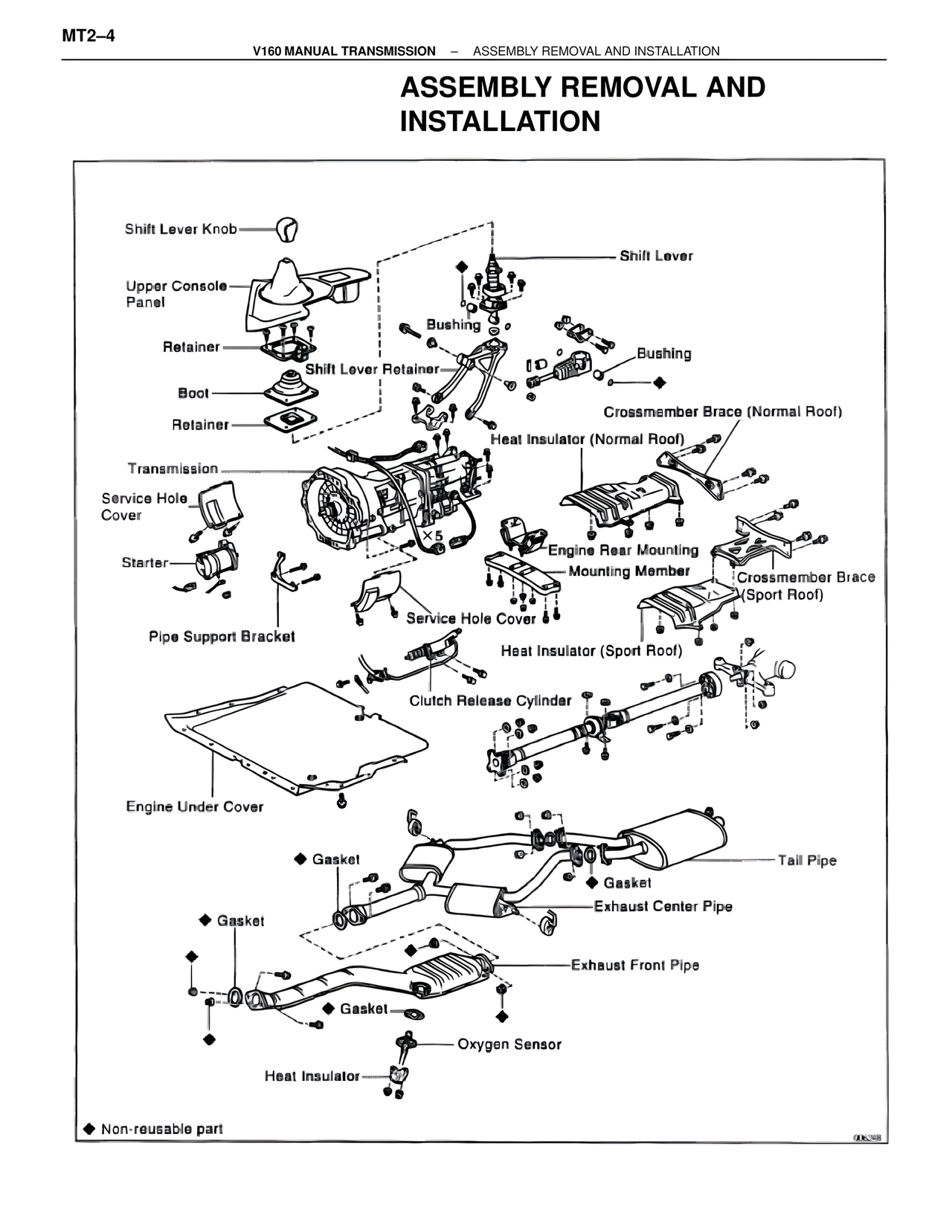
Shift Lever Knob
Upper Console Panel
Retainer
Boot
Retainer
Transmission
Service Hole Cover
Starter
Pipe Support Bracket
Engine Under Cover
Bushing
Shift Lever Retainer
Bushing
Shift Lever
Crossmember Brace (Normal Roof)
Heat Insulator (Normal Roof)
Engine Rear Mounting
Mounting Member
Crossmember Brace (Sport Roof)
Service Hole Cover
Heat Insulator (Sport Roof)
Clutch Release Cylinder
♦ Gasket
♦ Gasket
♦ Gasket
♦ Gasket
Tail Pipe
♦ Gasket
Exhaust Center Pipe
Exhaust Front Pipe
Oxygen Sensor
Heat Insulator
♦ Non-reusable part
006248