
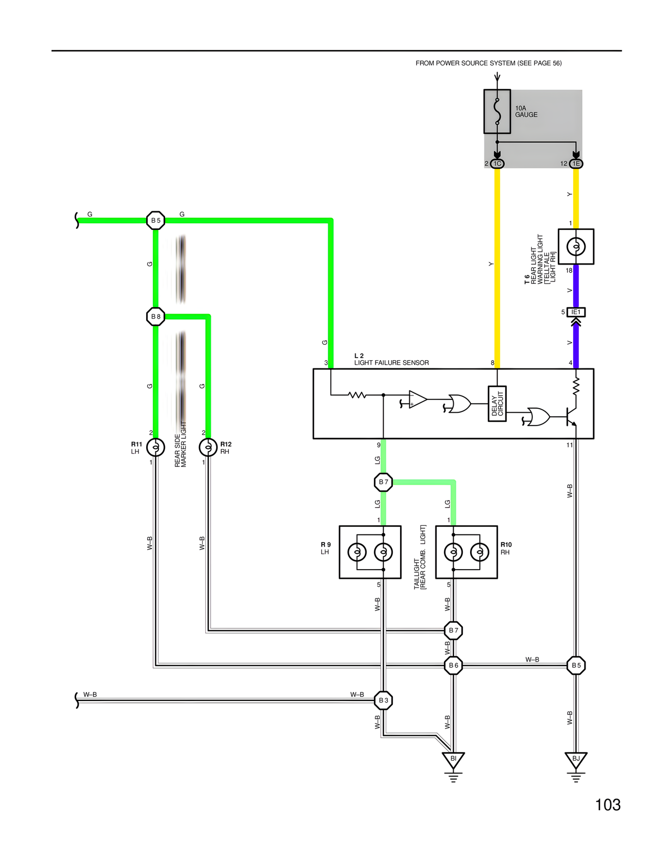
FROM POWER SOURCE SYSTEM (SEE PAGE 56)
10A
GAUGE
2 IC 12 IE
Y
1
REAR LIGHT
WARNING LIGHT
[TAIL LIGHT RH]
T 6
REAR LIGHT
WARNING
LIGHT RH
18
5 IE1
V
4
G
B5 G
G
B8
G G
2 3
R11 REAR SIDE R12
LH MARKER LIGHT RH
1 1
W-B W-B
3 L 2 8
LIGHT FAILURE SENSOR
DELAY
CIRCUIT
9 11
LG
B7
LG LG
1 1
R 9 R10
LH TAILLIGHT RH
[REAR COMB. LIGHT]
5 5
W-B W-B
B7
W-B
B6 W-B B5
W-B W-B
B3
W-B W-B W-B
BI BJ
103