
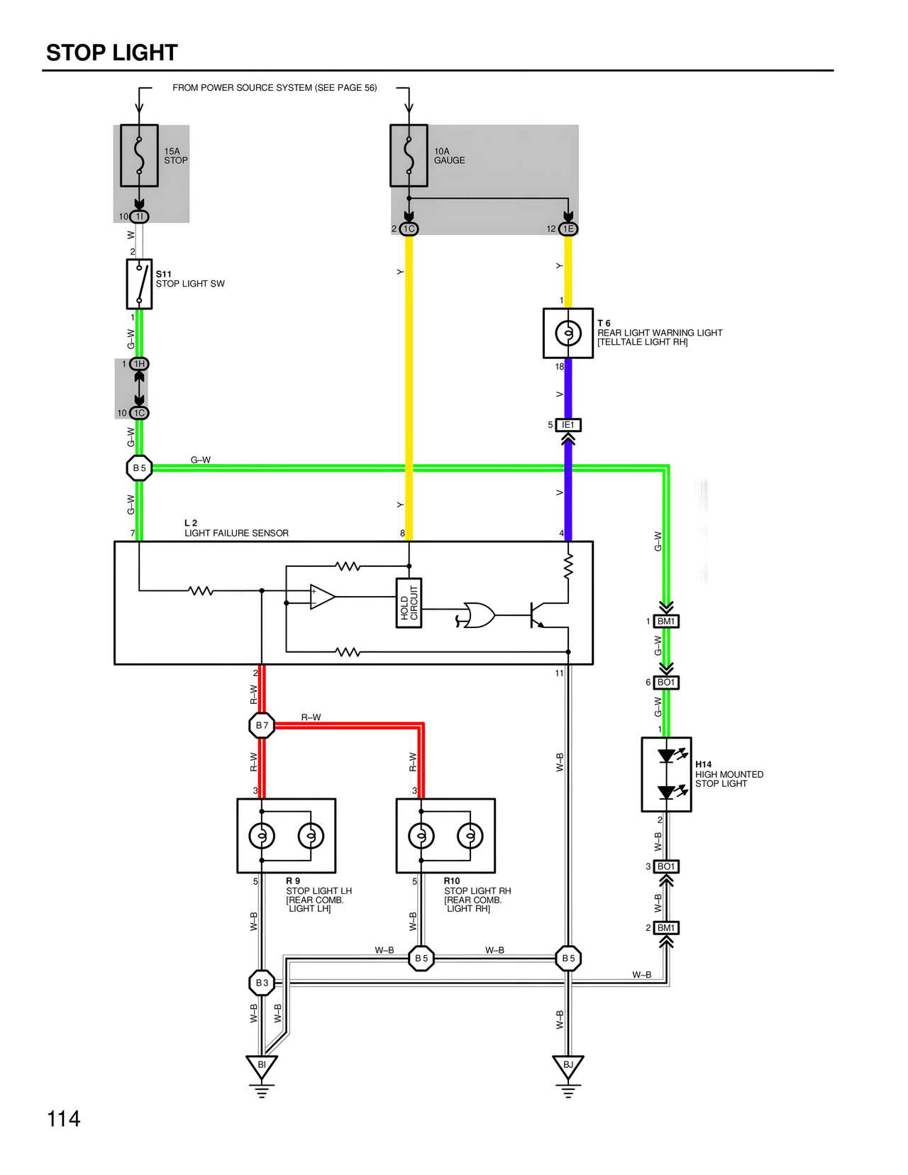
STOP LIGHT
FROM POWER SOURCE SYSTEM (SEE PAGE 56)
15A
STOP
10A
GAUGE
10 1I
W-
2
S11
STOP LIGHT SW
1
G-W
1 1H
10 1C
G-W
B5
G-W
2 1C
Y
12 1E
Y
1
T 6
REAR LIGHT WARNING LIGHT
[TELLTALE LIGHT RH]
18
V
5 IE1
G-W
L 2
LIGHT FAILURE SENSOR
7
8
4
HOLD
CIRCUIT
11
R-W 2
B7
R-W
R-W
R-W 4
W-B
W-B
1 BM1
G-W
6 BO1
G-W
1
H14
HIGH MOUNTED
STOP LIGHT
2
W-B
3 BO1
W-B
2 BM1
5
R 9
STOP LIGHT LH
[REAR COMB.
LIGHT LH]
5
R10
STOP LIGHT RH
[REAR COMB.
LIGHT RH]
W-B
W-B
B5
W-B
B5
W-B
B3
W-B
W-B
W-B
BI
BJ
114