
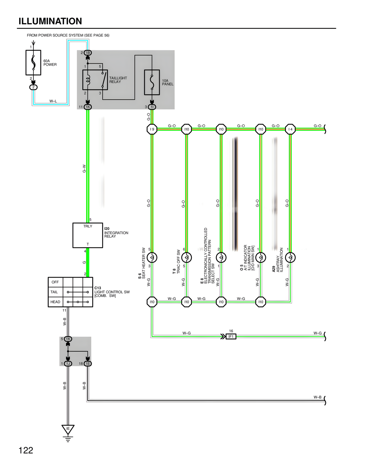
ILLUMINATION
FROM POWER SOURCE SYSTEM (SEE PAGE 56)
1
60A
POWER
2
W-L
2 1B
1 5
TAILLIGHT
RELAY
2 3
10A
PANEL
11 1K 3 1I
G-O
G-O
I9 G-O I10 G-O I10 G-O I10 G-O I4 G-O
G-W
5
TRLY
I20
INTEGRATION
RELAY
T
4
G
G-O G-O G-O G-O G-O
2
OFF
TAIL
HEAD
C13
LIGHT CONTROL SW
[COMB. SW]
11
W-B
S 6
SEAT HEATER SW
5
T 8
TRAC OFF SW
5
6
E 8
ELECTRONICALLY CONTROLLED
SELECTION PATTERN
SELECT SW
1
2
O 5
A/T INDICATOR
ILLUMINATION
[O.S. MAIN SW]
2
A28
ASHTRAY
ILLUMINATION
1
2
W-G W-G W-G W-G W-G
I10 W-G I10 W-G I10 W-G I10
5 1K
1 1J 18 1E
W-B W-B
W-G 16
W-G IF1 W-G
W-B
1E
122