
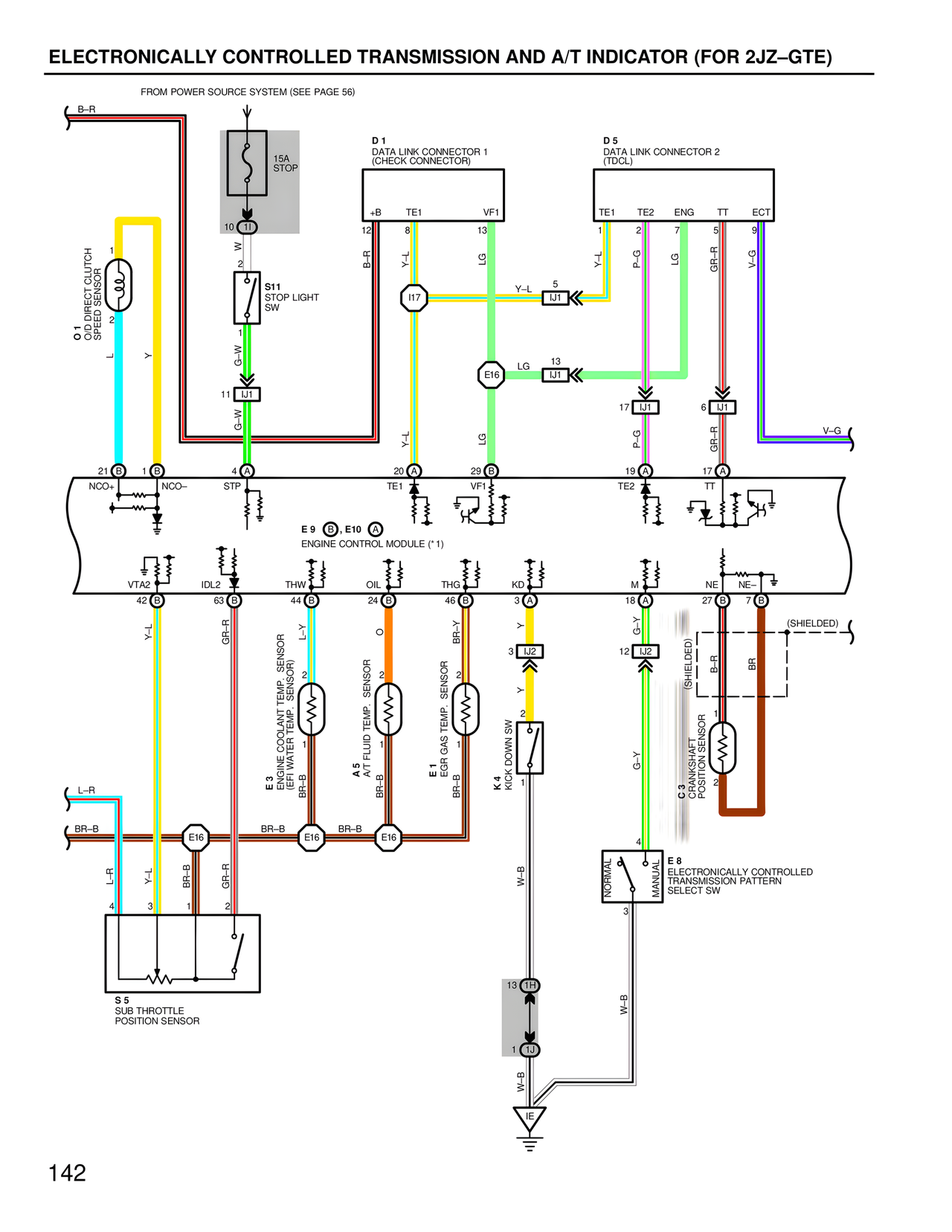
ELECTRONICALLY CONTROLLED TRANSMISSION AND A/T INDICATOR (FOR 2JZ–GTE)
FROM POWER SOURCE SYSTEM (SEE PAGE 56)
B–R
15A
STOP
10 11
W
S11
STOP LIGHT
SW
G–W
11 IJ1
O 1
OD DIRECT CLUTCH
SPEED SENSOR
L Y
21 B 1 B 4 A
NCO+ NCO– STP
D 1
DATA LINK CONNECTOR 1
(CHECK CONNECTOR)
+B TE1 VF1
12 8 13
B–R
II7
Y–L
Y–L
20 A 29 B
TE1 VF1
E 9 B E10 A
ENGINE CONTROL MODULE (*1)
VTA2 IDL2 THW OIL THG KD M NE NE–
42 B 63 B 44 B 24 B 46 B 3 A 18 A 27 B 7 B
Y–L GR–R (SHIELDED)
Y–L
E3
ENGINE COOLANT TEMP. SENSOR
(EFI WATER TEMP. SENSOR)
L–Y
BR–B
A 5
AT FLUID TEMP. SENSOR
O
BR–B
E 1
EGR GAS TEMP. SENSOR
BR–Y
BR–B
K 4
KICK DOWN SW
Y
W–B
G–Y
12 IJ2
(SHIELDED)
B–R BR
C 3
CRANKSHAFT
POSITION SENSOR
D 5
DATA LINK CONNECTOR 2
(TDCL)
TE1 TE2 ENG TT ECT
1 2 7 5 9
Y–L P–G LG GR–R V–G
LG
E16
5
IJ1
13
IJ1
17 IJ1 6 IJ1
P–G GR–R
19 A 17 A
TE2 TT
L–R
BR–B
E16 BR–B E16 BR–B E16
L–R
Y–L BR–B GR–R
4 3 1 2
S 5
SUB THROTTLE
POSITION SENSOR
3 IJ2
NORMAL
E 8
ELECTRONICALLY CONTROLLED
TRANSMISSION PATTERN
SELECT SW
MANUAL
G–Y
4
3
W–B
W–B
13 1H
1 IJ
W–B
IE
V–G
142