
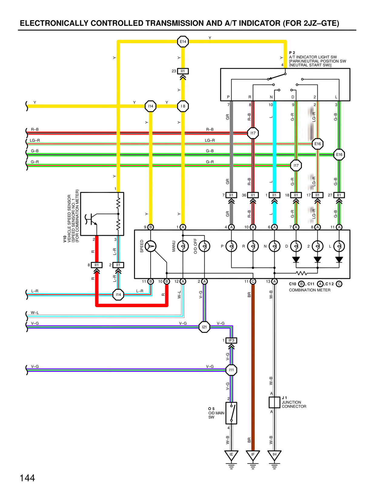
ELECTRONICALLY CONTROLLED TRANSMISSION AND A/T INDICATOR (FOR 2JZ–GTE)
E14
Y
P 2
A/T INDICATOR LIGHT SW
[PARK/NEUTRAL POSITION SW
(NEUTRAL START SW)]
P R N D 2 L
7 8 10 9 2 3
GR R-B L G-R LG-R G-B
R-B
LG-R
G-B
G-R
I17
E16
E16
I17
I14 I8
23 II1
Y
R-B
LG-R
G-B
G-R
GR
7 II1 36 II1 1 II1 18 II1 17 II1 27 II1
GR R-B L G-R LG-R G-B
V10
VEHICLE SPEED SENSOR
(SPEED SENSOR
(FOR COMBINATION METER))
SPEED MANU O/D OFF P R N D 2 L
9 B 1 A 4 A 10 A 6 A 7 A 8 A 11 A
11 B 10 B 12 A 2 A 11 C 13 A
C10 B, C11 A, C12 C
COMBINATION METER
II1
I14
8 II1 2 II1
R
L-R
L-R
W-L
V-G
BR
W-B
W-L
V-G
V-G
I21
V-G
1 IF3
V-G
V-G
I11
V-G
W-B
A
J 1
JUNCTION
CONNECTOR
A
2
O 5
O/D MAIN
SW
4
W-B BR W-B
IE IF IH
144