
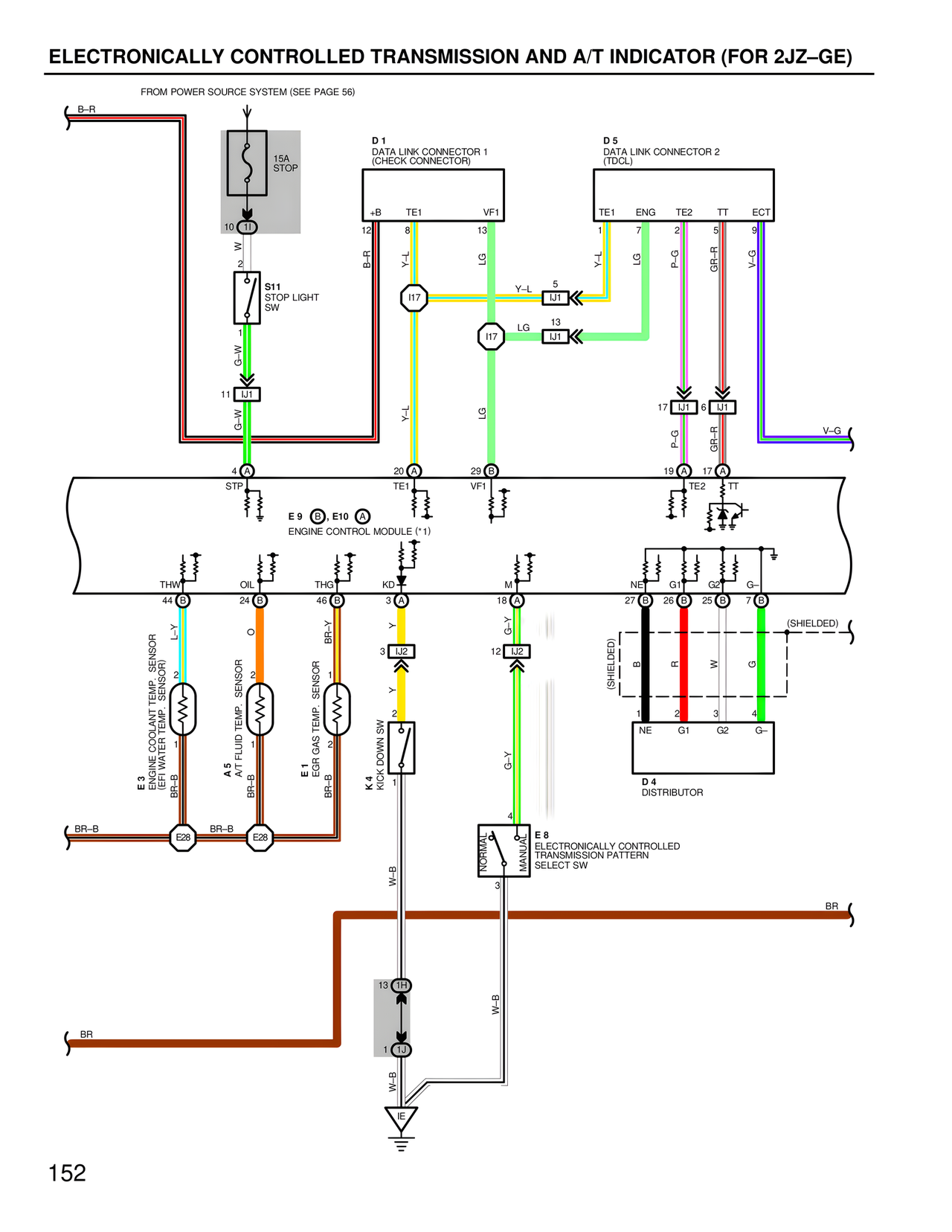
ELECTRONICALLY CONTROLLED TRANSMISSION AND A/T INDICATOR (FOR 2JZ–GE)
FROM POWER SOURCE SYSTEM (SEE PAGE 56)
B–R
15A
STOP
10 11
W
S11
STOP LIGHT
SW
G–W
11 IJ1
G–W
4 A
STP
D 1
DATA LINK CONNECTOR 1
(CHECK CONNECTOR)
+B TE1 VF1
12 8 13
BR–R
I17
Y–L
LG
I17
20 A
TE1
E 9 B, E10 A
ENGINE CONTROL MODULE (*1)
THW OIL THG KD M
44 B 24 B 46 B 3 A 18 A
L–Y O BR–Y Y G–Y
ENGINE COOLANT TEMP. SENSOR
(EFI WATER TEMP. SENSOR)
ATF FLUID TEMP. SENSOR
EGR GAS TEMP. SENSOR
E 3
BR–B
A 5
BR–B
E 1
BR–B
3 IJ2
K 4
KICK DOWN SW
2
1
12 IJ2
BR–B BR–B
E28 E28
W–B
4
NORMAL
MANUAL
E 8
ELECTRONICALLY CONTROLLED
TRANSMISSION PATTERN
SELECT SW
3
W–B
13 1H
1 IJ
W–B
IE
BR
D 5
DATA LINK CONNECTOR 2
(TDCL)
TE1 ENG TE2 TT ECT
1 7 2 5 9
Y–L LG P–G GR–R V–G
Y–L 5
IJ1
LG 13
IJ1
17 IJ1 6 IJ1
P–G GR–R
19 A 17 A
TE2 TT
29 B
VF1
NE G1 G2 G–
27 B 26 B 25 B 7 B
(SHIELDED)
B R W G
(SHIELDED)
1 2 3 4
NE G1 G2 G–
D 4
DISTRIBUTOR
V–G
BR
152