
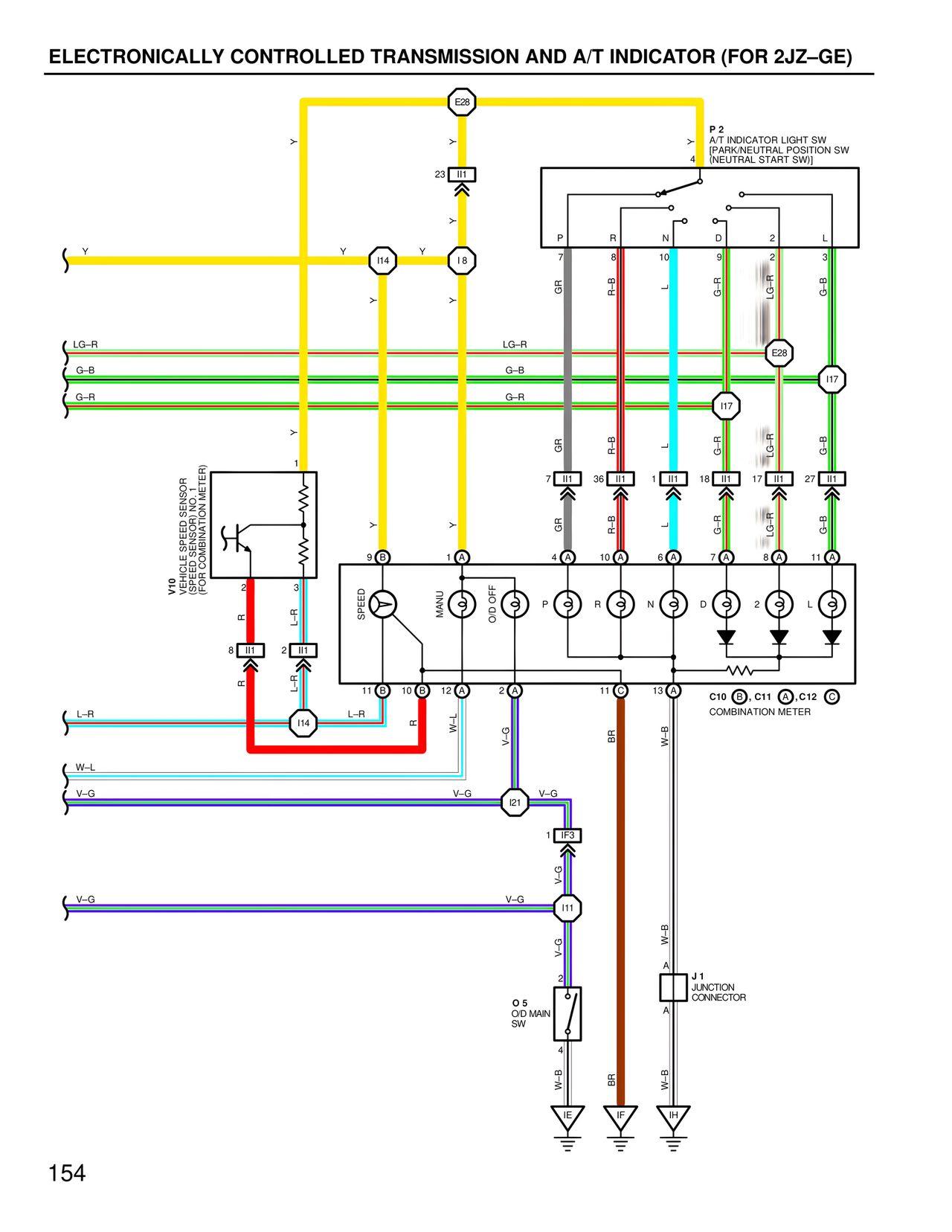
ELECTRONICALLY CONTROLLED TRANSMISSION AND A/T INDICATOR (FOR 2JZ–GE)
E28
P 2
A/T INDICATOR LIGHT SW
[PARK/NEUTRAL POSITION SW
(NEUTRAL START SW)]
Y
Y
I14
I8
23 II1
P
7
R
8
N
10
D
9
2
2
L
3
GR
R–B
L
G–R
LG–R
G–B
Y
LG–R
G–B
G–R
LG–R
G–B
G–R
E28
I17
GR
R–B
L
G–R
LG–R
G–B
7 II1
36 II1
1 II1
18 II1
17 II1
27 II1
GR
R–B
L
G–R
LG–R
G–B
4 A
10 A
6 A
7 A
8 A
11 A
V10
VEHICLE SPEED SENSOR
(SPEED SENSOR) NO.
(FOR COMBINATION METER)
1
2
3
R
L–R
8 II1
2 II1
R
L–R
9 B
1 A
SPEED
MANU
O/D OFF
P
R
N
D
2
L
11 B
10 B
12 A
2 A
11 C
13 A
I14
L–R
R
W–L
L–R
W–L
V–G
V–G
V–G
I21
1 IF3
V–G
BR
W–B
V–G
V–G
I11
V–G
2
O 5
O/D MAIN
SW
4
W–B
BR
W–B
A
J 1
JUNCTION
CONNECTOR
A
IE
IF
IH
C10 B, C11 A, C12 C
COMBINATION METER
154