
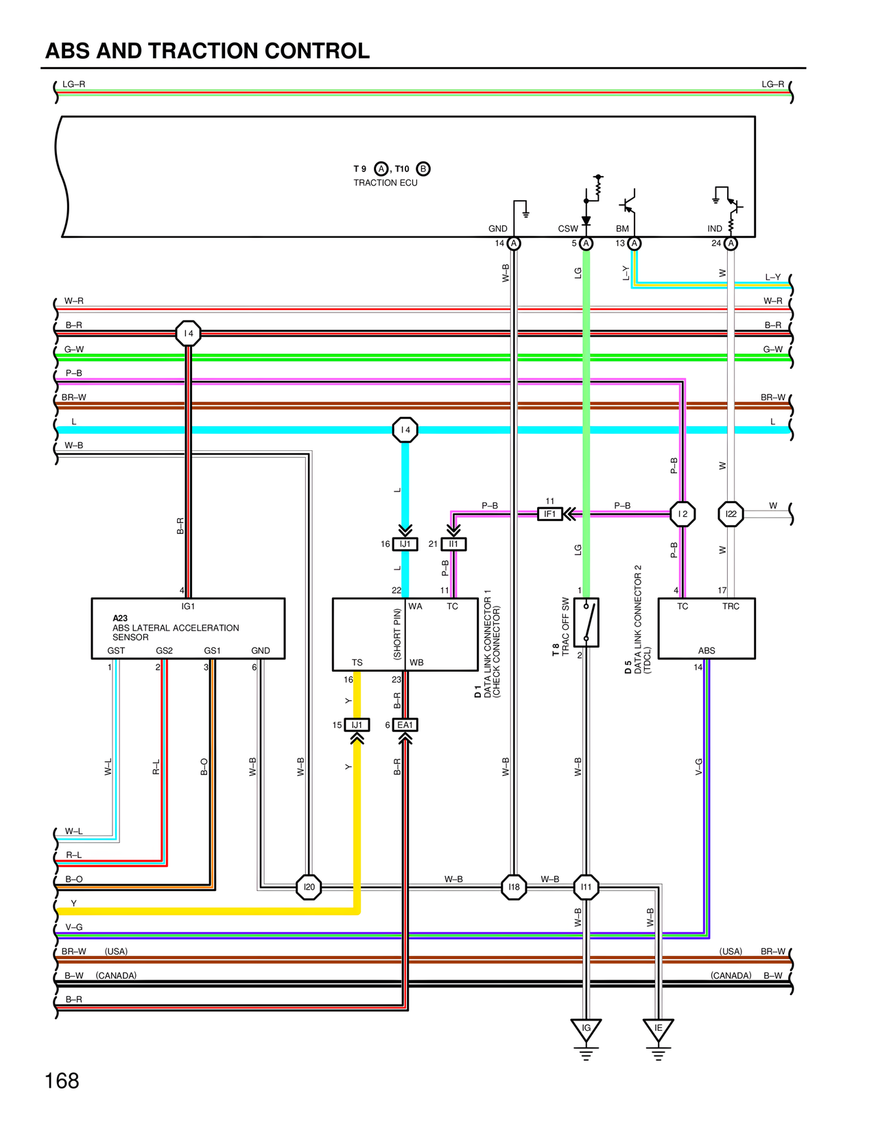
ABS AND TRACTION CONTROL
LG-R LG-R
T 9 (A), T10 (B)
TRACTION ECU
GND CSW BM IND
14 (A) 5 (A) 13 (A) 24 (A)
W-B LG L-Y W L-Y
W-R W-R
B-R B-R
G-W G-W
P-B P-B
BR-W BR-W
L L
W-B
I4 I4
L P-B
16 IJ1 21 II1 11 IF1 P-B I2 I22 W
22 P-B
11
WA TC
TS (SHORT PIN) WB
16 23
Y B-R
15 IJ1 6 EA1
Y B-R
I20 W-B I18 W-B II1
A23
ABS LATERAL ACCELERATION
SENSOR
GST GS2 GS1 GND
1 2 3 6
W-L R-L B-O W-B W-B
4
IG1
B-R
W-L
R-L
B-O
Y
V-G
BR-W (USA) (USA) BR-W
B-W (CANADA) (CANADA) B-W
B-R
D1
DATA LINK CONNECTOR 1
(CHECK CONNECTOR)
T 8
TRAC OFF SW
1
2
W-B W-B
W-B W-B
D5
DATA LINK CONNECTOR 2
(TDCL)
1
LG
P-B
TC TRC
4 17
P-B
ABS
14
V-G
IG IE
168