
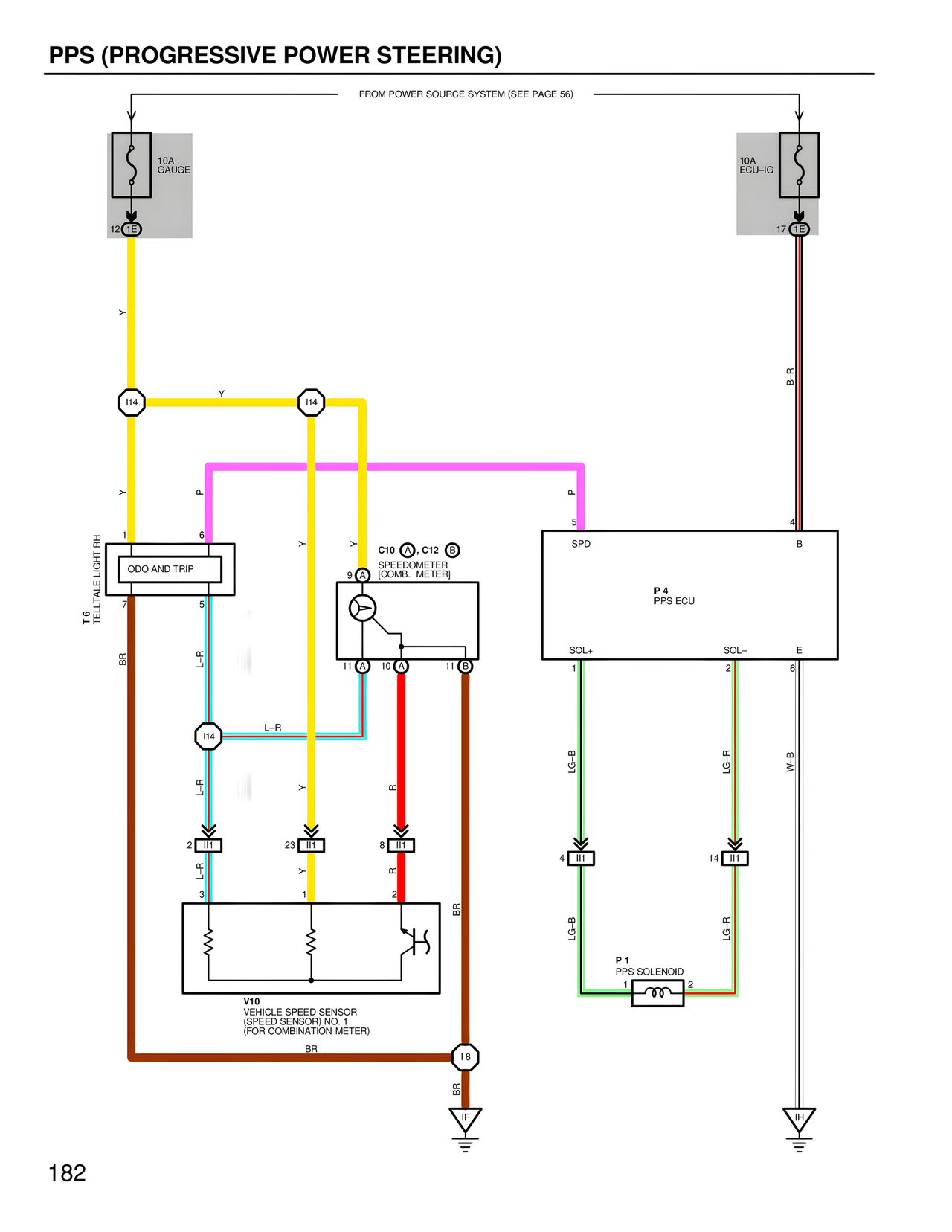
PPS (PROGRESSIVE POWER STEERING)
FROM POWER SOURCE SYSTEM (SEE PAGE 56)
10A
GAUGE
12 1E
Y
I14 I14
Y Y
1 6
ODO AND TRIP
7 5
T6
TELLTALE LIGHT RH
BR L-R
I14
L-R
L-R
2 II1 23 II1 8 II1
L-R Y R
3 1 2
V10
VEHICLE SPEED SENSOR
(SPEED SENSOR) NO. 1
(FOR COMBINATION METER)
BR
I8
BR
IF
10A
ECU-IG
17 1E
B-R
P P
5 4
SPD B
P 4
PPS ECU
SOL+ SOL- E
1 2 6
LG-B LG-R W-B
4 II1 14 II1
LG-B LG-R
P 1
PPS SOLENOID
1 2
IH
C10 A C12 B
SPEEDOMETER
[COMB. METER]
9 A
11 A 10 A 11 B
Y
R
BR
182