
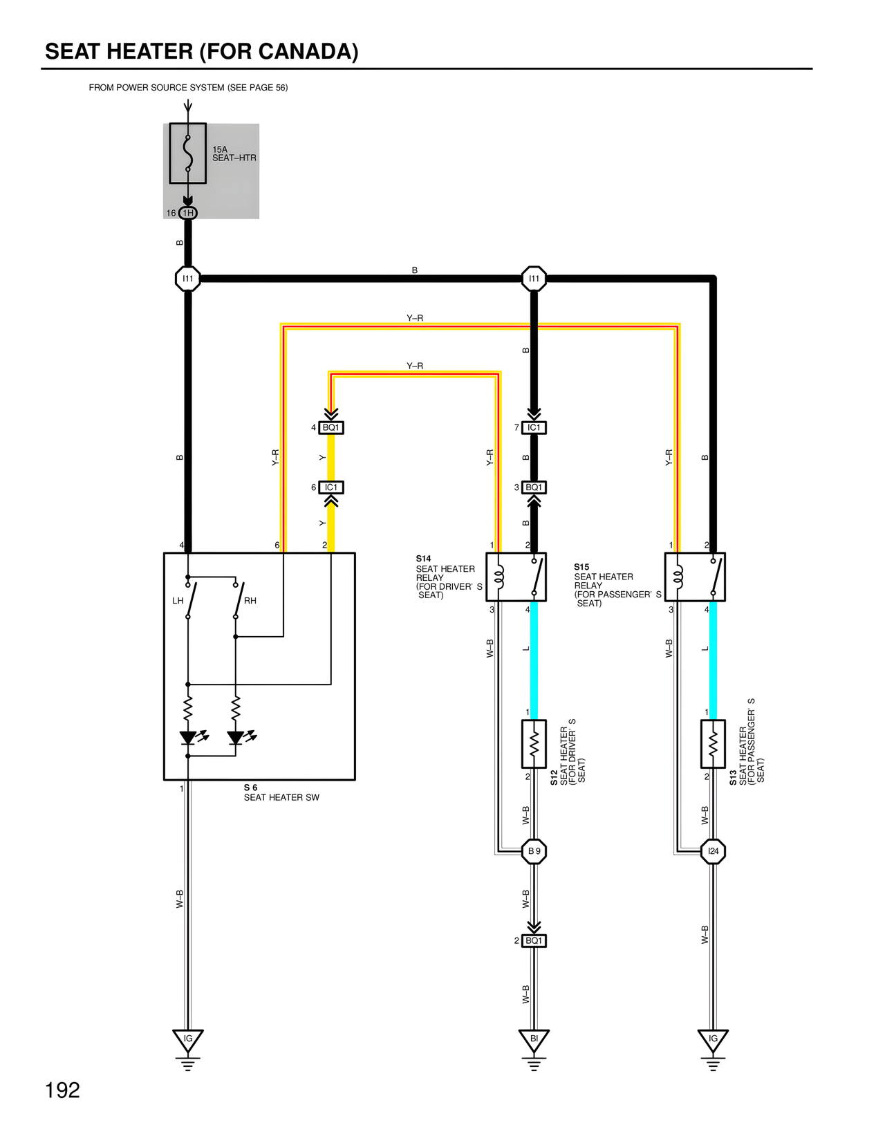
SEAT HEATER (FOR CANADA)
FROM POWER SOURCE SYSTEM (SEE PAGE 56)
15A
SEAT–HTR
16 1H
B
I11
B
I11
Y–R
Y–R
4 BQ1
Y
6 IC1
Y
2
7 IC1
B
3 BQ1
B
Y–R
B
Y–R
B
4
6
LH RH
1
S 6
SEAT HEATER SW
S14
SEAT HEATER
RELAY
(FOR DRIVER' S
SEAT)
1 2
3 4
W–B
L
1
S12
SEAT HEATER
(FOR DRIVER' S
SEAT)
2
W–B
B 9
W–B
2 BQ1
W–B
S15
SEAT HEATER
RELAY
(FOR PASSENGER' S
SEAT)
1 2
3 4
W–B
L
1
S13
SEAT HEATER
(FOR PASSENGER' S
SEAT)
2
W–B
I24
W–B
IG
BI
IG
192