
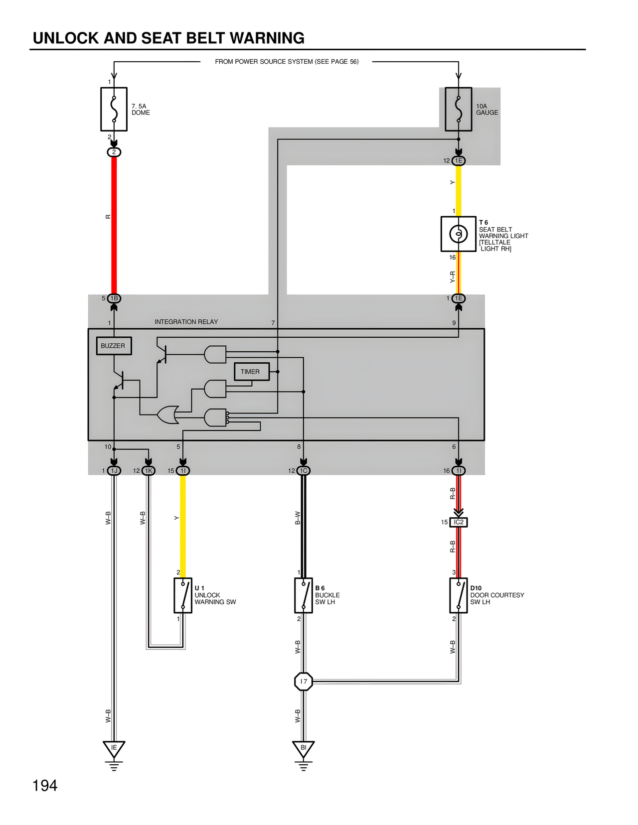
UNLOCK AND SEAT BELT WARNING
FROM POWER SOURCE SYSTEM (SEE PAGE 56)
1
7. 5A
DOME
2
10A
GAUGE
12 1E
>
1
T 6
SEAT BELT
WARNING LIGHT
[TELLTALE
LIGHT RH]
16
R
5 1B
1 1E
1
INTEGRATION RELAY
7
9
BUZZER
TIMER
10
5
8
6
1 1J
12 1K
15 1I
12 1C
16 1I
W-B
W-B
Y
B-W
R-B
2
15 IC2
R-B
U 1
UNCLOCK
WARNING SW
1
1
B 6
BUCKLE
SW LH
2
3
D10
DOOR COURTESY
SW LH
2
W-B
W-B
I7
W-B
W-B
IE
BI
194