
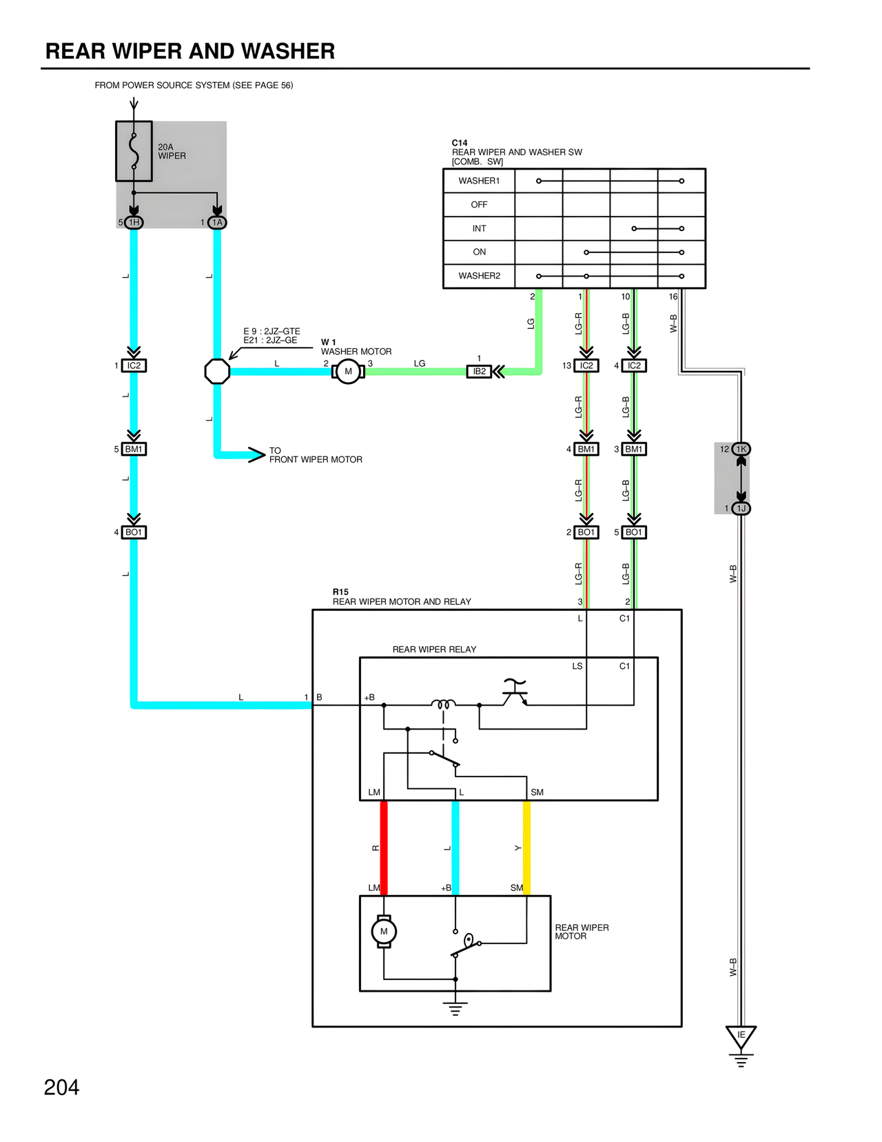
REAR WIPER AND WASHER
FROM POWER SOURCE SYSTEM (SEE PAGE 56)
20A
WIPER
5 1H 1 1A
E 9 : 2JZ-GTE
E21 : 2JZ-GE
W 1
WASHER MOTOR
2 M 3 LG 1 IB2
TO
FRONT WIPER MOTOR
1 IC2
5 BM1
4 BO1
C14
REAR WIPER AND WASHER SW
[COMB. SW]
WASHER1
OFF
INT
ON
WASHER2
2 1 10 16
LG LG-R LG-B W-B
13 IC2 4 IC2
LG-R LG-B
4 BM1 3 BM1
LG-R LG-B
2 BO1 5 BO1
LG-R LG-B
12 1K
1 1J
W-B
R15
REAR WIPER MOTOR AND RELAY
3 2
L C1
REAR WIPER RELAY
LS C1
+B
LM L SM
1 B
R L Y
LM +B SM
M REAR WIPER
MOTOR
IE
204