
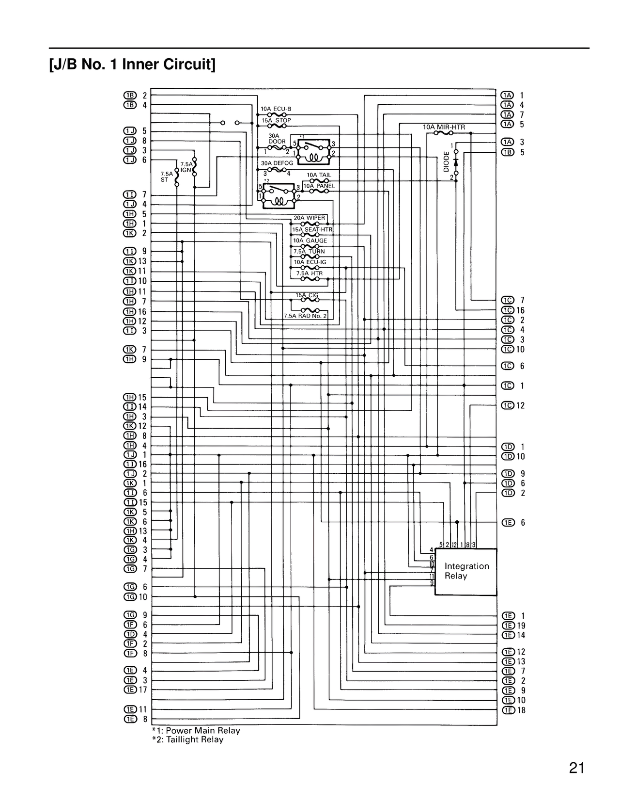
[J/B No. 1 Inner Circuit]
1B 2
1B 4
10A ECU-B
15A STOP
1A 1
1A 4
1A 7
1A 5
1J 5
1J 8
1J 3
1J 6
30A DOOR *1
10A MIR-HTR
1A 3
1B 5
7.5A IGN
7.5A ST
30A DEFOG
*2
10A TAIL
10A PANEL
DIODE
1I 7
1J 4
1H 5
1H 1
1K 2
20A WIPER
15A SEAT-HTR
10A GAUGE
7.5A TURN
10A ECU-IG
7.5A HTR
1I 9
1K 13
1K 11
1J 10
1H 11
1H 7
1H 16
1H 12
1I 3
15A CIG
7.5A RAD No. 2
1C 7
1G 16
1G 2
1G 4
1C 3
1C 10
1C 6
1K 7
1H 9
1C 1
1C 12
1H 15
1I 14
1I 3
1K 12
1H 8
1H 4
1J 1
1J 16
1J 2
1I 1
1I 6
1D 15
1K 5
1K 6
1H 13
1K 4
1G 3
1G 4
1G 7
1D 1
1D 10
1D 9
1G 6
1D 2
1E 6
Integration
Relay
5 2 12 1 8 3
4
6
7
11
1G 6
1G 10
1G 9
1F 6
1D 4
1F 2
1F 8
1E 4
1E 3
1E 17
1E 11
1E 8
1E 1
1E 19
1E 14
1E 12
1E 13
1E 7
1E 2
1E 9
1E 10
1E 18
*1: Power Main Relay
*2: Taillight Relay
21