
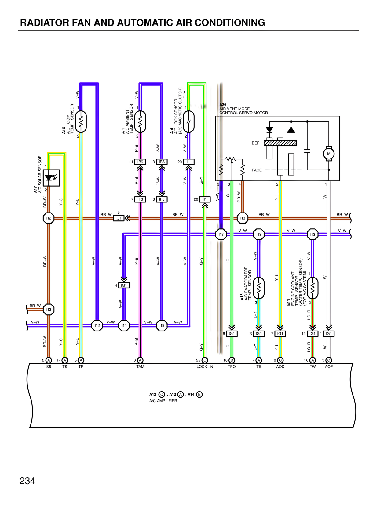
RADIATOR FAN AND AUTOMATIC AIR CONDITIONING
A17
A/C SOLAR SENSOR
A15
A/C ROOM
TEMP. SENSOR
A1
AMBIENT
TEMP.
SENSOR
A4
A/C LOCK SENSOR
[A/C MAGNETIC CLUTCH]
A26
AIR VENT MODE
CONTROL SERVO MOTOR
DEF
FACE
M
V-W
V-W
G-Y
BR-W
Y-G
Y-L
P-B
V-W
V-W
G-Y
LG
BR-W
Y-L
W
IB6
IB6
II1
IF3
IF3
IG1
IG1
IG1
IG1
IG1
I12
I12
I12
I14
I19
II1
I13
I13
I13
I13
BR-W
BR-W
BR-W
V-W
V-W
V-W
P-B
V-W
V-W
V-W
G-Y
G-Y
LG
V-W
Y-L
V-W
W
BR-W
V-W
Y-G
Y-L
P-B
LG-R
L-Y
Y-L
LG
L-Y
LG-R
W
5
IG1
4
IG1
11
3
20
7
8
26
5
3
4
2
1
2
1
2
1
2
1
6
3
7
11
9
2 A
S5
17 A
TS
5 A
TR
6 A
TAM
22 C
LOCK-IN
10 B
TPO
7 A
TE
8 C
AOD
16 A
TW
9 C
AOF
A15
A/C EVAPORATOR
TEMP. SENSOR
E11
ENGINE COOLANT
TEMP. SENSOR
(WATER TEMP. SENSOR)
FOR A/C SYSTEM
A12 C , A13 A , A14 B
A/C AMPLIFIER
234