
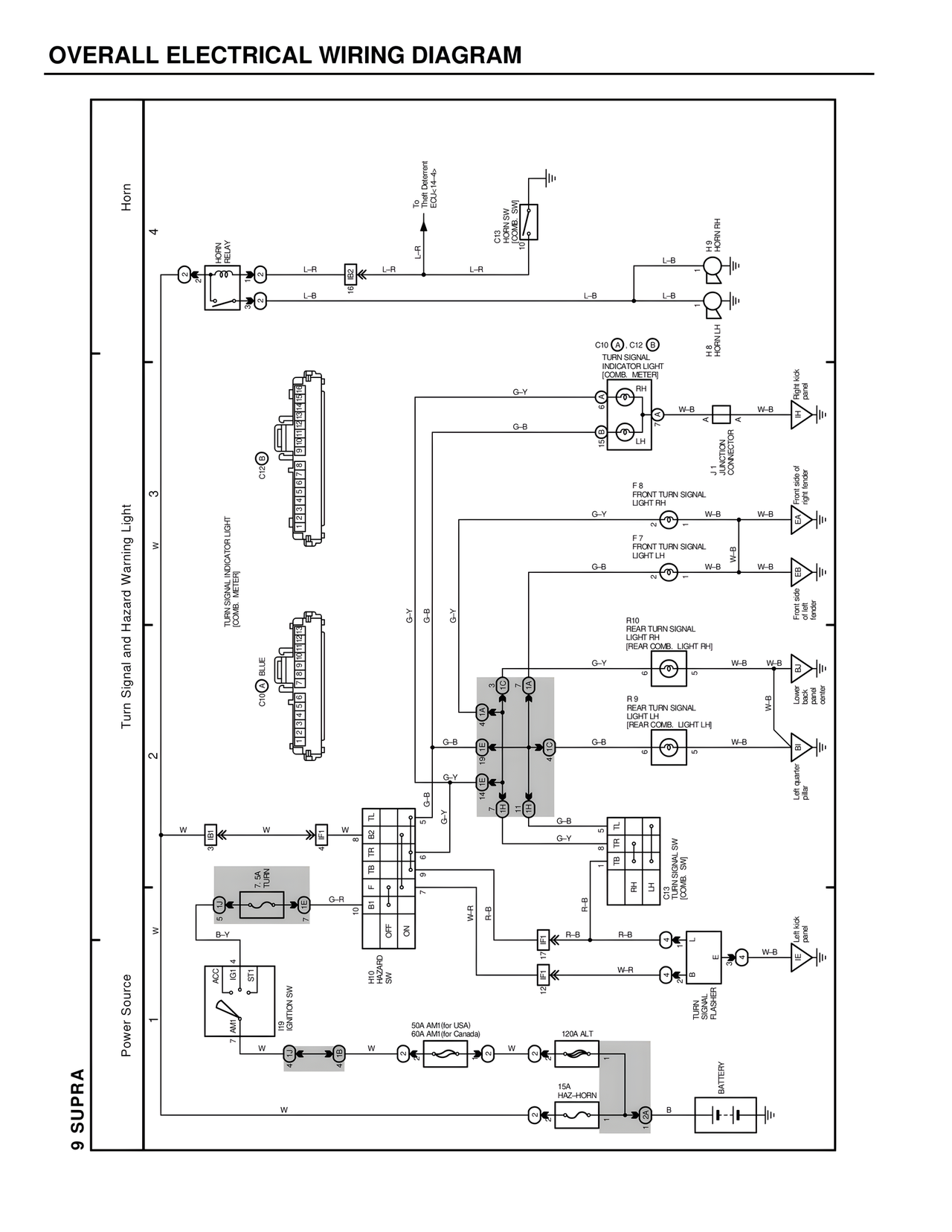
OVERALL ELECTRICAL WIRING DIAGRAM
Horn
4
HORN RELAY
L-R
L-B
L-R
L-R
L-B
L-B
To
Theft Deterrent
E6A, P.40
C13
HORN SW
COMB. METER
10
H-9
HORN RH
L-B
H-8
HORN LH
C10 A C12 B
TURN SIGNAL
INDICATOR LIGHT
[COMB. METER]
RH
G-Y
G-B
LH
W-B
W-B
Right kick
panel
J-1
JUNCTION
CONNECTOR
C12
3
W
TURN SIGNAL INDICATOR LIGHT
[COMB. METER]
F 8
FRONT TURN SIGNAL
LIGHT RH
G-Y
W-B
W-B
Front side of
right fender
F 7
FRONT TURN SIGNAL
LIGHT LH
G-B
W-B
W-B
Front side
of left
fender
C10 BLUE
R10
REAR TURN SIGNAL
LIGHT RH
[REAR COMB. LIGHT RH]
G-Y
W-B
W-B
Lower
back
center
pillar
R 9
REAR TURN SIGNAL
LIGHT LH
[REAR COMB. LIGHT LH]
G-B
G-B
W-B
W-B
Left quarter
pillar
2
G-B
G-Y
TL
B2
TR
TB
F
B1
OFF ON
W-R
R-B
C13
TURN SIGNAL SW
[COMB. SW]
TB
RH
LH
5
8
R-B
R-B
W-R
Left kick
panel
W-B
W-B
TURN
SIGNAL
FLASHER
W
W
W
7.5A
10A
G-R
B-Y
Power Source
1
ACC
IG1
ST1
H10
HAZARD
SW
AM1
7
W
IGNITION SW
50A AM1 (for USA)
60A AM1 (for Canada)
W
W
120A ALT
15A
HAZ-HORN
B
BATTERY
W
B
9 SUPRA