
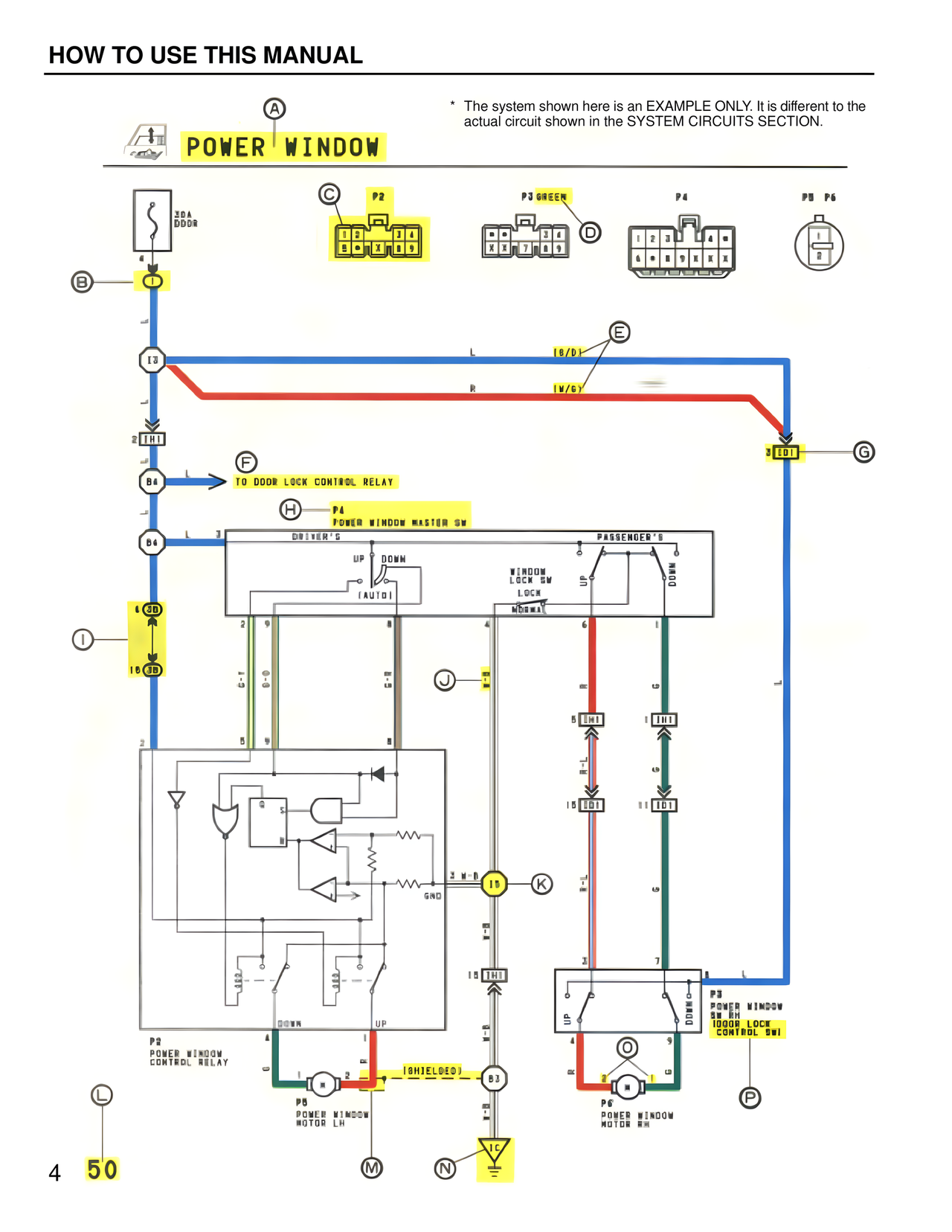
HOW TO USE THIS MANUAL
* The system shown here is an EXAMPLE ONLY. It is different to the actual circuit shown in the SYSTEM CIRCUITS SECTION.
A
POWER WINDOW
20A
DOOR
B
I3
2 IH1
B4
F
TO DOOR LOCK CONTROL RELAY
B4
H P4
POWER WINDOW MASTER SW
4 3D
I
15 3D
C P2
P3 GREEN
D
P4
P5 P6
E
L (B/D)
R (W/B)
3 ID1
G
DRIVER'S
UP DOWN
(AUTO)
PASSENGER'S
WINDOW
LOCK SW
LOCK
NORMAL
UP
DOWN
2 9 8 4 6 1
J W-B
5 IH1 1 IH1
B-L
15 ID1 11 ID1
K
3 W-B 15
GND
W-B
15 IH1
W-B
3 7 4
UP DOWN L
O
P2
POWER WINDOW
CONTROL RELAY
DOWN UP
4
1 2
(SHIELDED)
B3
W-B
W-B
L
P5
POWER WINDOW
MOTOR LH
M
N
1c
P3
POWER WINDOW
SW RH
DOOR LOCK
CONTROL SWI
UP
3 9
P6
POWER WINDOW
MOTOR RH
P
4 50