
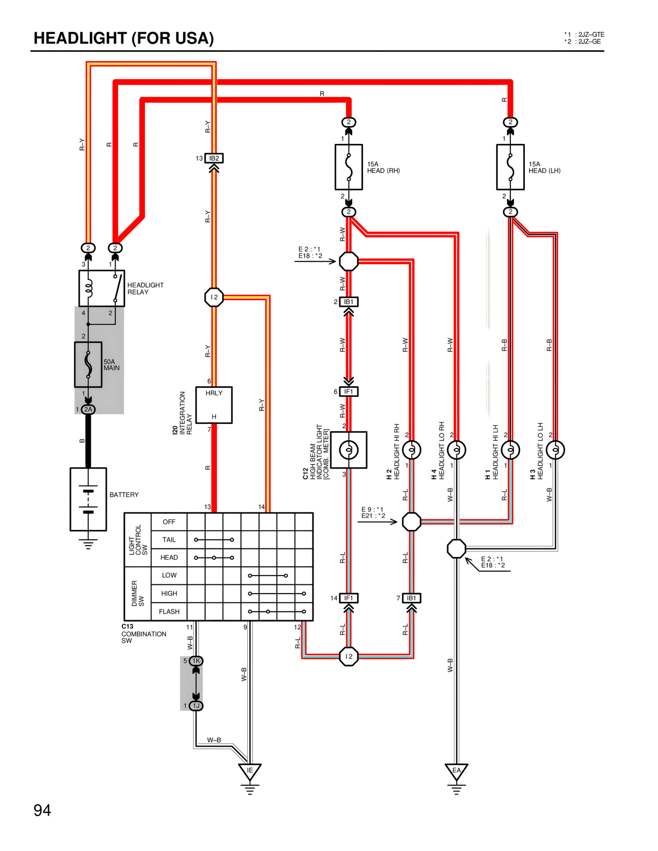
HEADLIGHT (FOR USA)
*1 : 2JZ-GTE
*2 : 2JZ-GE
R
R-Y
R
R
R-Y
2
3
HEADLIGHT RELAY
4 2
2
50A MAIN
1
2A
B
BATTERY
13 IB2
I2
R-Y
6
HRLY
IR20
INTEGRATION RELAY
H
7
R
R-Y
LIGHT CONTROL SW
OFF
TAIL
HEAD
DIMMER SW
LOW
HIGH
FLASH
C13
COMBINATION SW
13 14
11 9 12
W-B
5 1K
1 1J
W-B
IE
R-Y
2
1
15A HEAD (RH)
2
E 2 :*1
E18 :*2
2 IB1
R-W
6 IF1
C12
HIGH BEAM
INDICATOR LIGHT
[COMB. METER]
3
H 2
HEADLIGHT HI RH
3
H 4
HEADLIGHT LO RH
1
R-L
W-B
E 9 :*1
E21 :*2
14 IF1
R-L
7 IB1
R-L
I2
R-L
W-B
2
1
15A HEAD (LH)
2
E 2 :*1
E18 :*2
R-W
R-B
R-B
H 1
HEADLIGHT HI LH
1
H 2
HEADLIGHT LO LH
2
R-L
W-B
EA
R-W
R-W
R-W
94