
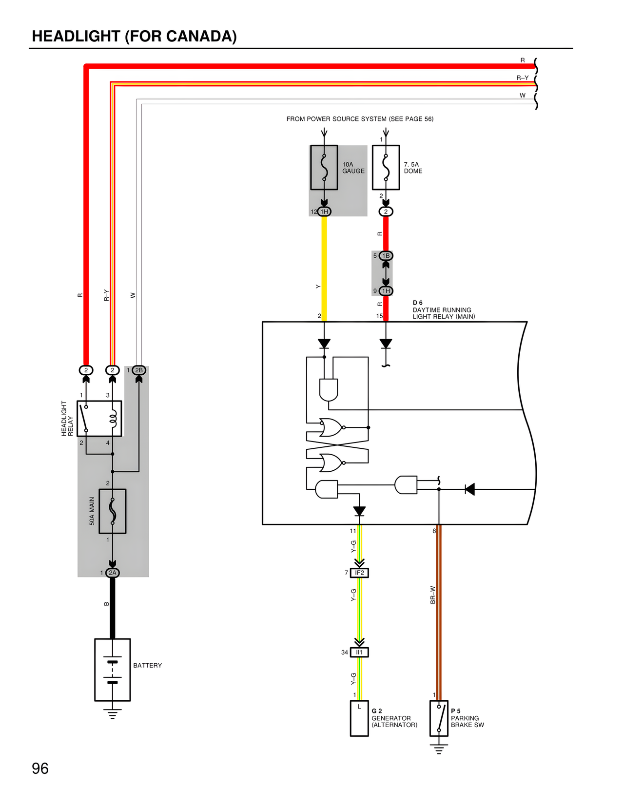
HEADLIGHT (FOR CANADA)
R
R-Y
W
FROM POWER SOURCE SYSTEM (SEE PAGE 56)
10A
GAUGE
7. 5A
DOME
12 1H
2
R
5 1B
9 1H
D 6
DAYTIME RUNNING
LIGHT RELAY (MAIN)
Y
2
15
R
R-Y
W
2 2 1 2B
HEADLIGHT
RELAY
1 3
2 4
2
50A MAIN
1
1 2A
B
BATTERY
11
Y-G
7 IF2
Y-G
34 II1
Y-G
1
L
G 2
GENERATOR
(ALTERNATOR)
8
BR-W
1
P 5
PARKING
BRAKE SW
96