
BR–72
BRAKE SYSTEM – ANTI–LOCK BRAKE SYSTEM (ABS)
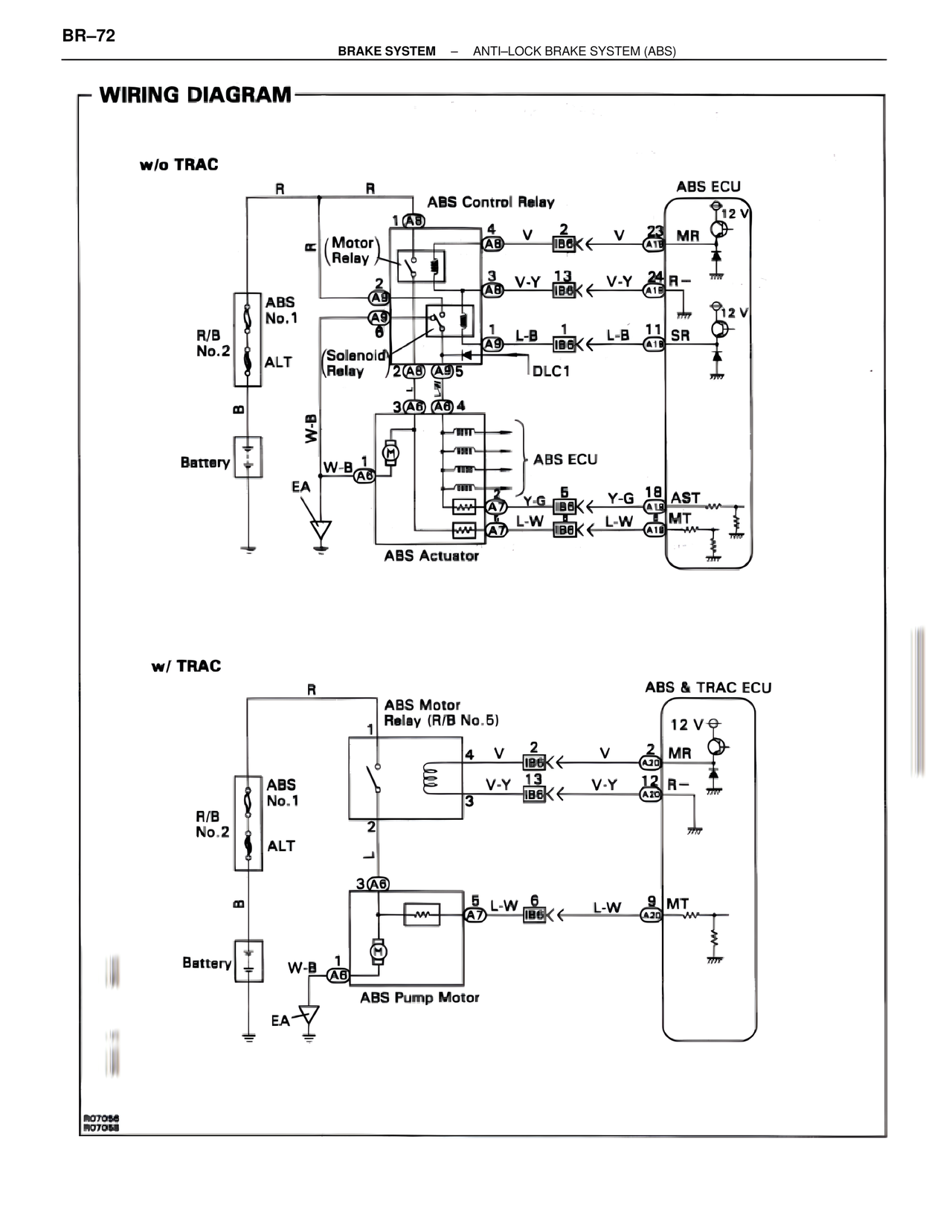
WIRING DIAGRAM
w/o TRAC
ABS ECU
12 V
R R
ABS Control Relay
1 A8 4 V 2 V 23 MR
IB6 A18
Motor
Relay 3 V-Y 13 V-Y 24 R–
A8 IB6 A18
2
A9
ABS
A9
No.1 5
R/B
No.2 ALT
Solenoid 1 L-B 1 L-B 11 12 V
Relay A9 IB6 A18 SR
2 A9 A9 5
DLC1
B
3 A6 A6 4
W-B
W-B 1
A6
Battery M
EA ABS EUC
Y-G 5 Y-G 18 AST
IB6 A18
L-W L-W 1 MT
A7 IB6 A18
ABS Actuator
w/ TRAC
ABS & TRAC ECU
R
ABS Motor
Relay (R/B No.5) 12 V
1
4 V 2 V 2 MR
IB6 A20
ABS
3 V-Y 13 V-Y 12 R–
No.1 IB6 A20
R/B
No.2 ALT 2
B
3 A6
5 L-W 6 L-W 9 MT
A7 IB6 A20
Battery W-B 1
A6
ABS Pump Motor
EA
R07056
R07058