
BE-199
BODY ELECTRICAL SYSTEM – CRUISE CONTROL SYSTEM
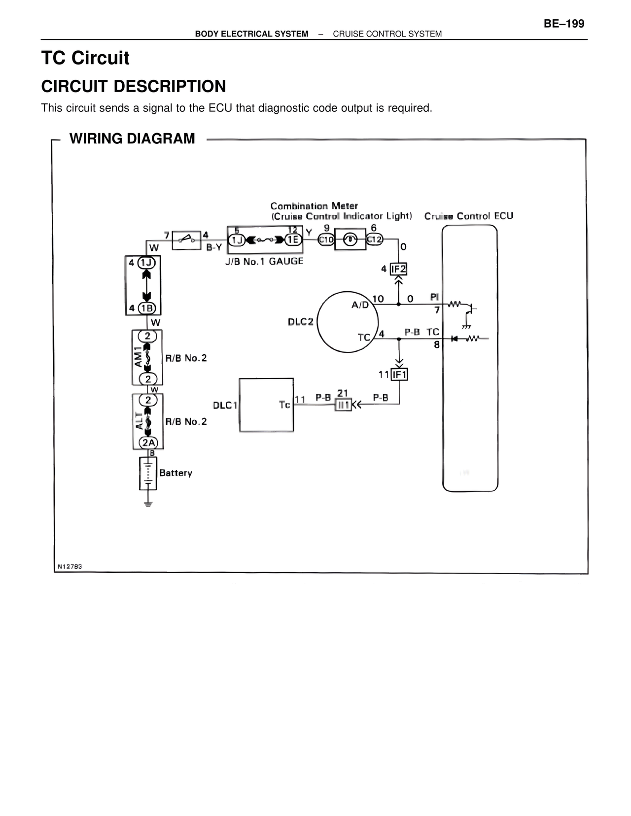
TC Circuit
CIRCUIT DESCRIPTION
This circuit sends a signal to the ECU that diagnostic code output is required.
WIRING DIAGRAM
Combination Meter
(Cruise Control Indicator Light) Cruise Control ECU
7 4 5 12 Y 9 6
W B-Y 1J 1E C10 C12
0
4 (1J)
4 (1B)
W
J/B No.1 GAUGE
4 IF2
A/D 10 0 PI
DLC2 7
2 TC 4 P-B TC
AM1 R/B No.2 8
2
W
11 IF1
2
ALT R/B No.2
(2A) DLC1 Tc 11 P-B 21 P-B
II1
Battery
N12783