
*1 : 2JZ-GE
*2 : 2JZ-GTE
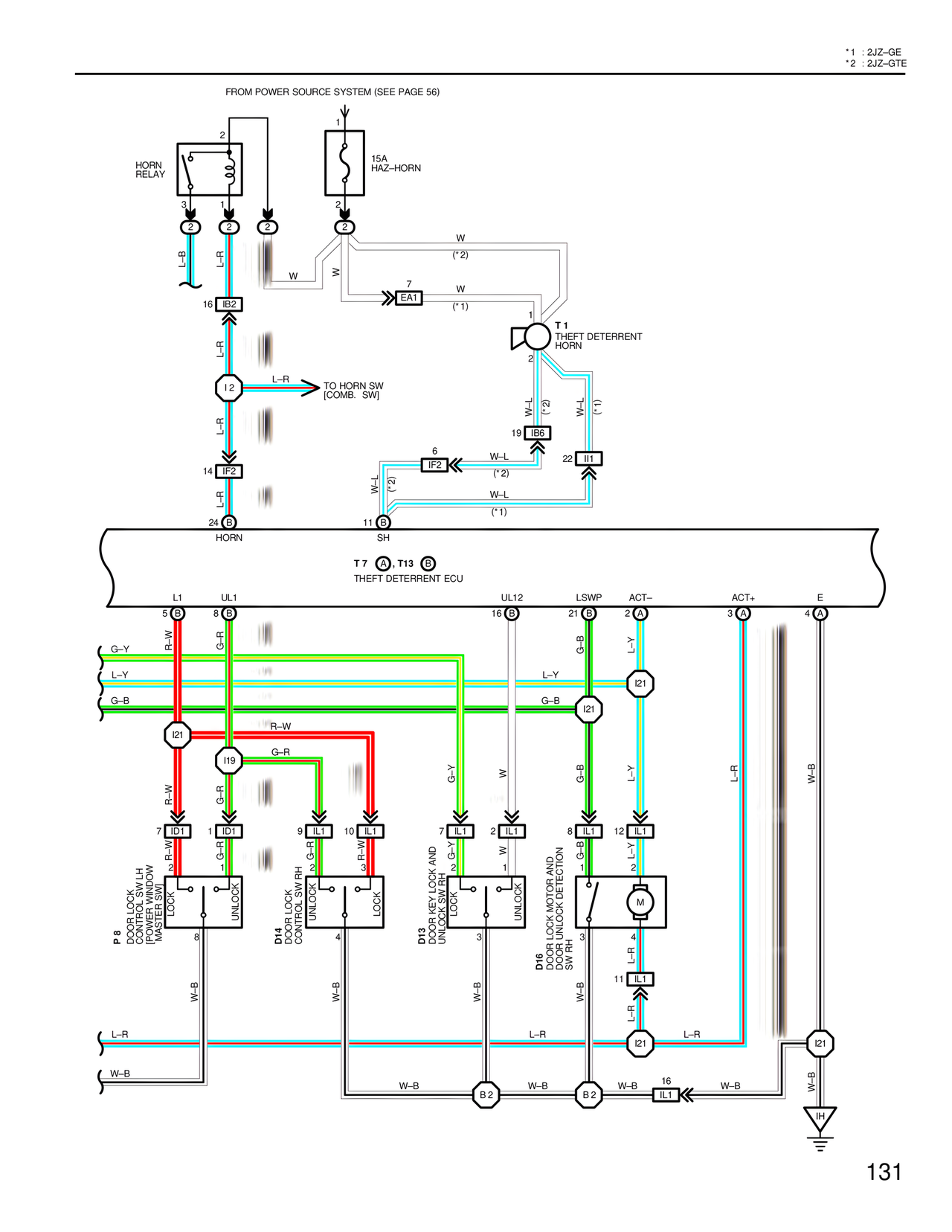
FROM POWER SOURCE SYSTEM (SEE PAGE 56)
2
HORN
RELAY
3
2 2 2
L-B L-R
W W
16 IB2
L-R
I2 L-R TO HORN SW
[COMB. SW]
L-R
14 IF2
L-R
24 B
HORN
1
15A
HAZ-HORN
2
7
EA1
W
(*2)
W
(*1)
6
IF2
W-L
(*2)
W-L
(*2)
I1 B
SH
T 1
THEFT DETERRENT
HORN
1
2
W-L
(*2)
W-L
(*1)
19 IB6
22 II1
W-L
(*1)
T 7 A, T13 B
THEFT DETERRENT ECU
L1 UL1
5 B 8 B
G-Y R-W
L-Y G-R
G-B
I21
R-W G-R
I21 I19
R-W G-R
7 ID1 1 ID1
DOOR LOCK
SW LH
[POWER WINDOW
MASTER SW]
LOCK UNLOCK
P 8
B
8
W-B
L-R
W-B
UL12
16 B
G-B
L-Y
R-W
G-R
A R-W
9 IL1 10 IL1
DOOR LOCK
CONTROL SW RH
UNLOCK LOCK
D14
4
W-B
W-B
LSWP
21 B
G-Y
W
7 IL1 2 IL1
DOOR KEY LOCK AND
UNLOCK SW RH
LOCK UNLOCK
D13
3
W-B
L-R
W-B
B2
W-B
ACT-
2 A
L-Y
G-B
I21
G-B
L-Y
8 IL1 12 IL1
DOOR LOCK MOTOR AND
UNLOCK DETECTION
SW RH
G-B L-Y
D16
L-R 4
1 IL1
L-R
I21
L-R
B2
W-B 16
IL1
W-B
ACT+
3 A
L-R
E
4 A
W-B
M
IH
W-B
I21
131