
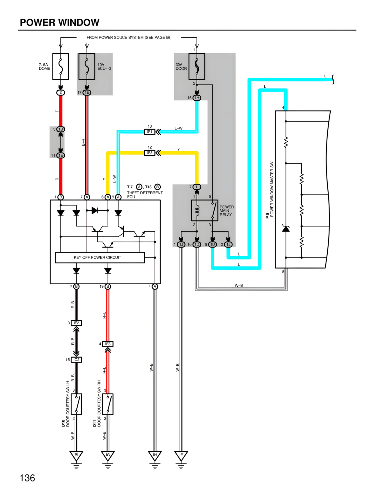
POWER WINDOW
FROM POWER SOUCE SYSTEM (SEE PAGE 56)
7.5A
DOME
10A
ECU-IG
30A
DOOR
2
17 1E
15 1H
R
5 1B
13
IF1
L-W
B-R
12
IF3
Y
11 1E
R
Y
L-W
T 7 A, T13 B
THEFT DETERRENT
ECU
7 1L
1 B 7 A 6 A 9 A
1 5
POWER
MAIN
RELAY
2 3
KEY OFF POWER CIRCUIT
1J 10 1D 9 1D 2 1J
7 B 19 B 4 A
W-B
L
L
R-B
R-L
3 IF2
4 IF3
R-B
R-L
15 IC2
R-B
W-B
W-B
3
D10
DOOR COURTESY SW LH
2
3
D11
DOOR COURTESY SW RH
2
W-B
W-B
BI IG IH IE
P 8
POWER WINDOW MASTER SW
4
8
W-B
L
L
136