
L
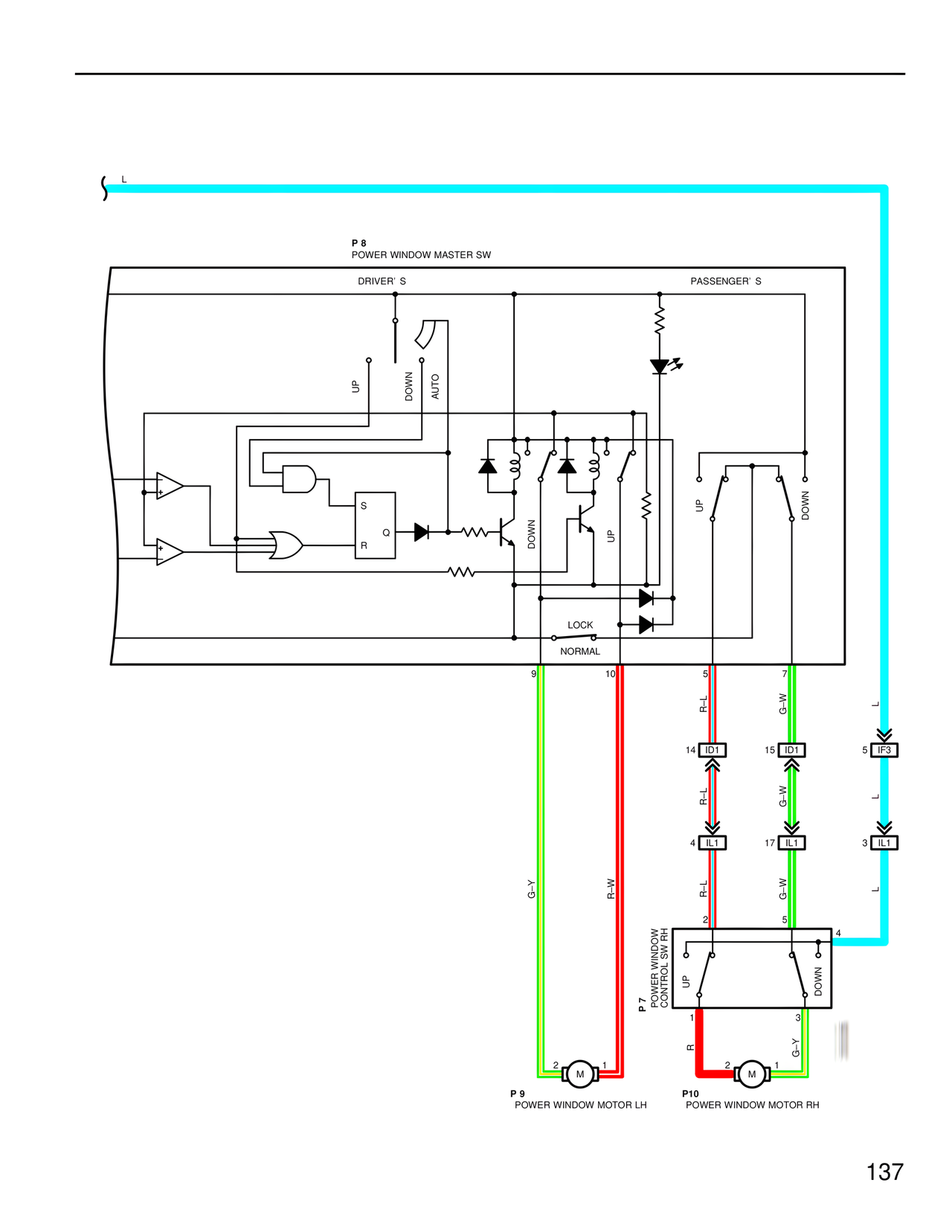
P 8
POWER WINDOW MASTER SW
DRIVER' S PASSENGER' S
UP DOWN AUTO
S
R Q
DOWN UP
UP
DOWN
LOCK
NORMAL
9 10 5 7
R-L G-W
14 ID1 15 ID1
R-L G-W
4 IL1 17 IL1
R-L G-W
G-Y R-W 2 5
P 7
POWER WINDOW
CONTROL SW RH
UP DOWN
1 3
R G-Y
2 1 2 1
P 9 P10
POWER WINDOW MOTOR LH POWER WINDOW MOTOR RH
L
5 IF3
L
3 IL1
L
4
137