
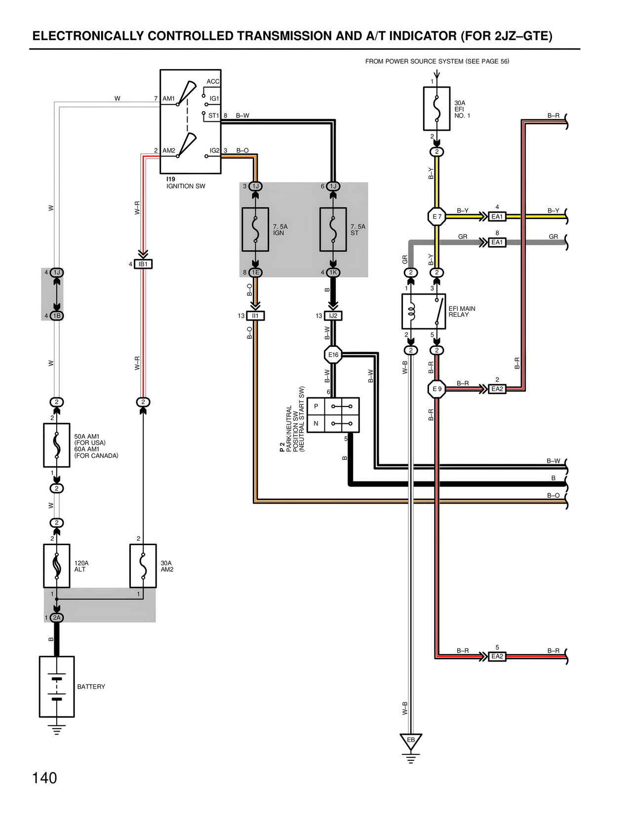
ELECTRONICALLY CONTROLLED TRANSMISSION AND A/T INDICATOR (FOR 2JZ–GTE)
FROM POWER SOURCE SYSTEM (SEE PAGE 56)
1
30A
EFI
NO. 1
2
B–R
B–Y
E7
B–Y
4
EA1
B–Y
GR
8
EA1
GR
GR
B–Y
2
2
1
3
EFI MAIN
RELAY
2
5
2
B–R
W–B
E9
B–R
2
EA2
B–R
B–R
B–W
B
B–O
B–R
5
EA2
B–R
W–B
EB
W
7
AM1
ACC
IG1
ST1
8
B–W
2
AM2
IG2
3
B–O
I19
IGNITION SW
W–R
4
IB1
4
1J
4
1B
W
2
2
50A AM1
(FOR USA)
60A AM1
(FOR CANADA)
1
2
W
2
2
120A
ALT
30A
AM2
1
1
2A
B
BATTERY
W–R
3
1J
6
1J
7. 5A
IGN
7. 5A
ST
8
1E
4
1K
B–O
B
13
II1
13
IJ2
B–O
B–W
E16
B–W
B–W
P 2
NEUTRAL
POSITION SW
(NEUTRAL START SW)
P
N
6
5
B
140