
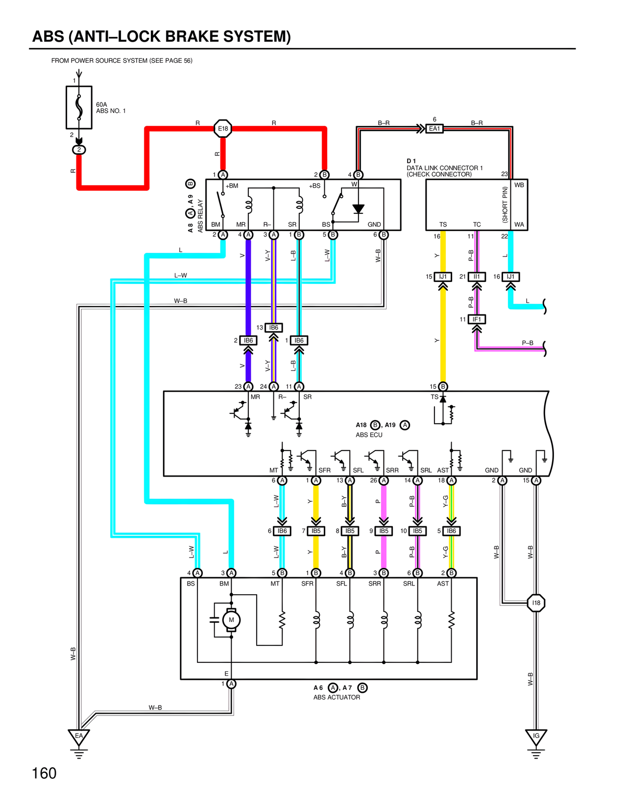
ABS (ANTI–LOCK BRAKE SYSTEM)
FROM POWER SOURCE SYSTEM (SEE PAGE 56)
1
60A
ABS NO. 1
2
R
E18
R
B–R
6
EA1
B–R
D 1
DATA LINK CONNECTOR 1
(CHECK CONNECTOR)
23
WB
(SHORT PIN)
WA
A9
A8
ABS RELAY
1 A
+BM
2
BM
4
MR
2 B
+BS
3 A
R–
4 B
W
1 B
SR
5 B
BS
GND
6 B
TS
16
TC
11
22
Y
P–B
L
15
IJ1
21
II1
16
IJ1
P–B
11
IF1
Y
P–B
L
L–W
W–B
V
V–Y
L–B
L–W
W–B
13 IB6
2 IB6
1 IB6
V
V–Y
L–B
23 A
MR
24 A
R–
11 A
SR
15 B
TS
A18 B, A19 A
ABS ECU
MT
SFR
SFL
SRR
SRL
AST
GND
GND
6 A
1 A
13 A
26 A
14 A
18 A
2 A
15 A
L–W
Y
B–Y
P
P–B
Y–G
6 IB6
7 IB5
8 IB5
9 IB5
10 IB5
5 IB6
W–B
W–B
L–W
Y
B–Y
P
P–B
Y–G
4 B
BS
3 B
BM
5 B
MT
1 B
SFR
4 B
SFL
3 B
SRR
6 B
SRL
2 B
AST
I18
W–B
E
1 A
A6 A, A7 B
ABS ACTUATOR
EA
IG
W–B
160