
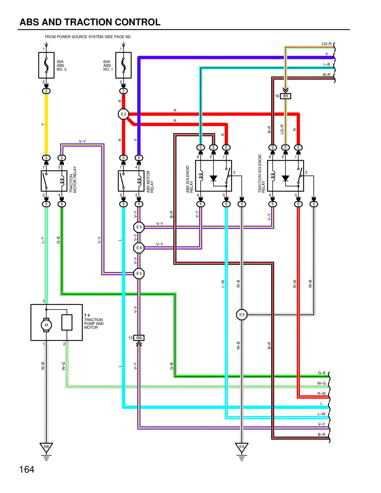
ABS AND TRACTION CONTROL
FROM POWER SOURCE SYSTEM (SEE PAGE 56)
1
30A
ABS
NO. 2
2
1
60A
ABS
NO. 1
2
Y
V–Y
5 5
1 3
TRACTION
MOTOR RELAY
2 4
5 5
L–Y G–B
3
T 4
TRACTION
PUMP AND
MOTOR
M
1 2
W–B W–G
EB
R
E2
R Y
5 5
V–Y
2 3
ABS MOTOR
RELAY
5 5
V–Y
L V–Y
E5
V–Y
E6
V–Y
E5
V–Y
13 IB6
L V–Y G–B
R
R
B–R
V–Y
5 5 5
6 5 1
ABS SOLENOID
RELAY
4 3
5 5 5
V–Y
L–W
W–B
E5
W–B
B–R
LG–R
V
L–B
B–R
16 IB5
B–R LG–R
5 5 5
6 5 1
TRACTION SOLENOID
RELAY
4 3
5 5 5
V–Y
R–W W–B
EA
LG–R
V
L–B
B–R
R
G–B
W–G
R–W
L
L–W
V–Y
B–R
164