
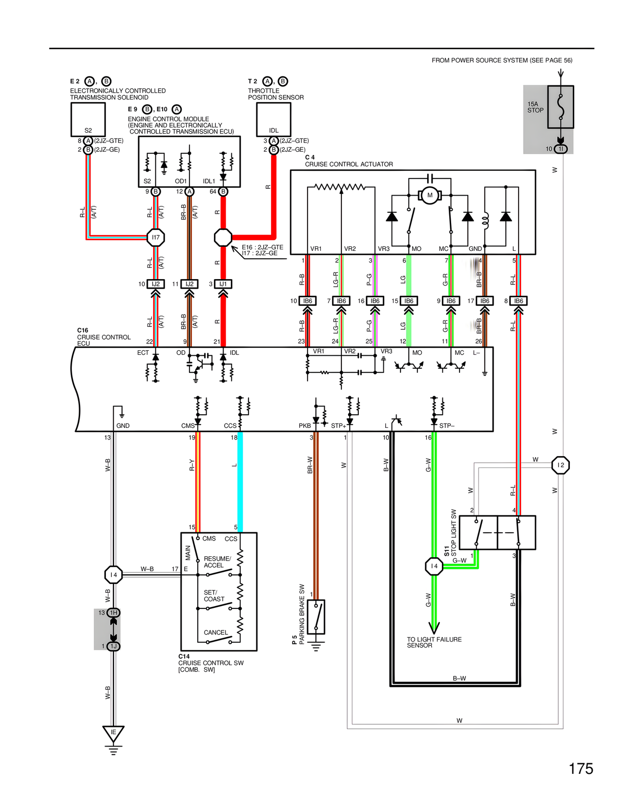
FROM POWER SOURCE SYSTEM (SEE PAGE 56)
15A
STOP
10 I1
E 2 A B
ELECTRONICALLY CONTROLLED
TRANSMISSION SOLENOID
E 9 B E10 A
ENGINE CONTROL MODULE
(ENGINE AND ELECTRONICALLY
CONTROLLED TRANSMISSION ECU)
T 2 A B
THROTTLE
POSITION SENSOR
S2
8 A (2JZ-GTE)
2 B (2JZ-GE)
IDL
3 A (2JZ-GTE)
2 B (2JZ-GE)
C 4
CRUISE CONTROL ACTUATOR
S2 OD1 IDL1
9 B 12 A 64 B
R-L
(A/T)
R-L
(A/T)
BR-B
(A/T)
R
R
E16 : 2JZ-GTE
I17 : 2JZ-GE
VR1 VR2 VR3 MO MC GND L
1 2 3 6 7 4 5
R-B LG-R P-G LG LG-R BR-B R-L
10 IB6 7 IB6 16 IB6 15 IB6 9 IB6 17 IB6 8 IB6
R-B LG-R P-G LG G-R BR-B R-L
23 24 25 12 11 26
VR1 VR2 VR3 MO MC L-
I17
10 LJ2 11 LJ2 3 LJ1
22
ECT OD IDL
C16
CRUISE CONTROL
ECU
GND CMS CCS PKB STP+ L STP-
13 19 18 3 1 10 16
W-B R-Y L BR-W W B-W G-W W
I4
W-B
13 IH
1 IJ
15 5
CMS CCS
MAIN
RESUME/
ACCEL
SET/
COAST
CANCEL
C14
CRUISE CONTROL SW
[COMB. SW]
17
I4
W-B
IE
P.5
PARKING BRAKE SW
I4
G-W
S11
STOP LIGHT SW
1 2
4 3
G-W
B-W
TO LIGHT FAILURE
SENSOR
I2
R-L
W
W
B-W
W
175