
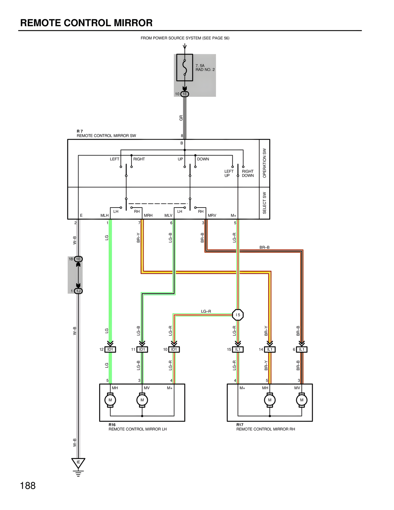
REMOTE CONTROL MIRROR
FROM POWER SOURCE SYSTEM (SEE PAGE 56)
7. 5A
RAD NO. 2
10 1E
GR
R 7
REMOTE CONTROL MIRROR SW
8
B
LEFT RIGHT UP DOWN
LEFT
UP
RIGHT
DOWN
OPERATION SW
SELECT SW
E MLH LH RH MRH MLV LH RH MRV M+
2 1 7 6 3 5
W-B LG BR-Y LG-B BR-B LG-R
18 1E
1 1J
W-B
BR-B
LG-R
LG LG-B LG-R LG-R BR-Y BR-B
12 ID1 11 ID1 10 ID1 15 IL1 14 IL1 6 IL1
LG LG-B LG-R LG-R BR-Y BR-B
5 3 4 4 5 3
MH MV M+ M+ MH MV
M M M M
R16
REMOTE CONTROL MIRROR LH
R17
REMOTE CONTROL MIRROR RH
W-B
IE
I5
188