
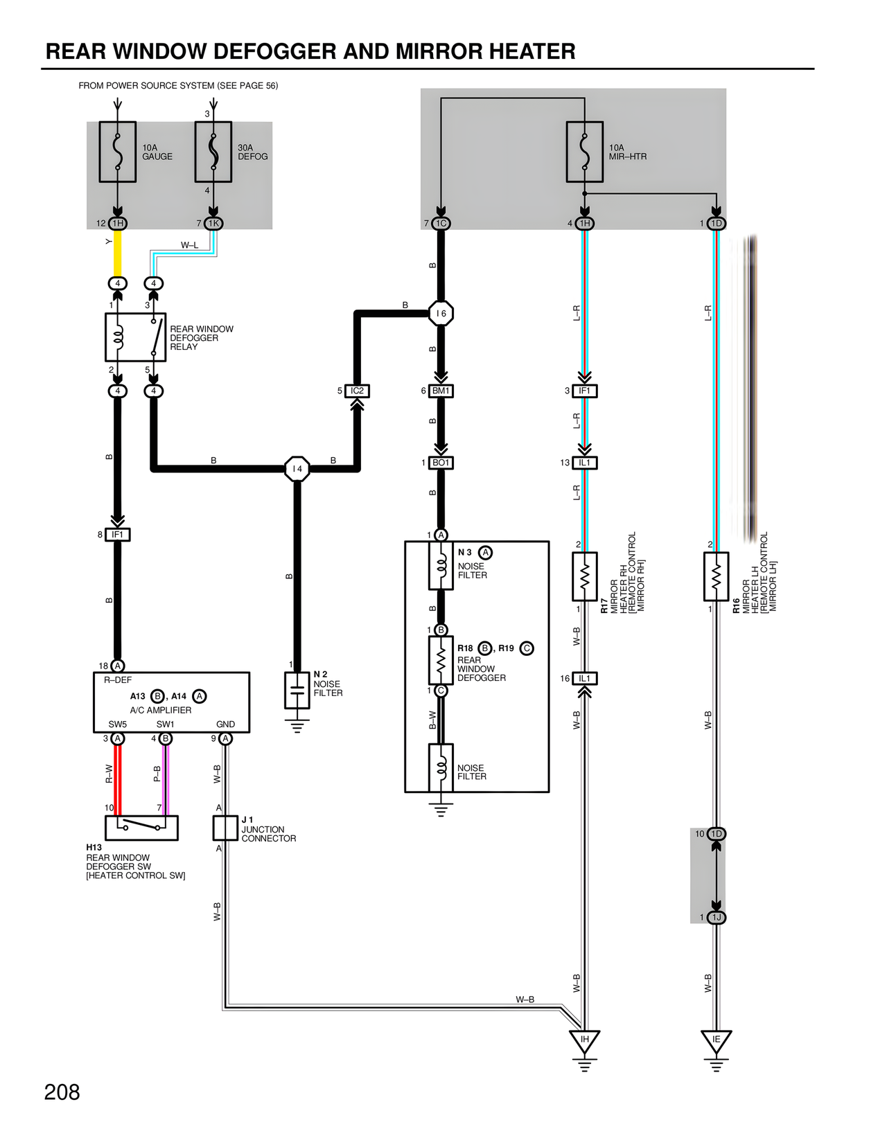
REAR WINDOW DEFOGGER AND MIRROR HEATER
FROM POWER SOURCE SYSTEM (SEE PAGE 56)
3
10A
GAUGE
30A
DEFOG
4
12 1H 7 1K
>
W–L
4 4
1 3
REAR WINDOW
DEFOGGER
RELAY
2 5
4 4
B B
8 IF1
B
18 DEF
A13 B A14 A
A/C AMPLIFIER
SW5 SW1 GND
3 A 4 B 9 A
R–W P–B W–B
10 7
H13
REAR WINDOW
DEFOGGER SW
[HEATER CONTROL SW]
B
N 2
NOISE
FILTER
W–B
J 1
JUNCTION
CONNECTOR
A
W–B
7 1C 4 1H 1 1D
10A
MIR–HTR
B
I 6
B
5 IC2 6 BM1
B
1 BO1
B
1
N 3 A
NOISE
FILTER
B
1 B
R18 B, R19 C
REAR
WINDOW
DEFOGGER
1 C
B–W
NOISE
FILTER
I 4
L–R
3 IF1
L–R
13 IL1
L–R
2
R17
MIRROR
HEATER RH
[REMOTE CONTROL
MIRROR RH]
W–B
16 IL1
W–B
L–R
2
R16
MIRROR
HEATER LH
[REMOTE CONTROL
MIRROR LH]
W–B
10 1D
1 1J
W–B
W–B
IH IE
208