
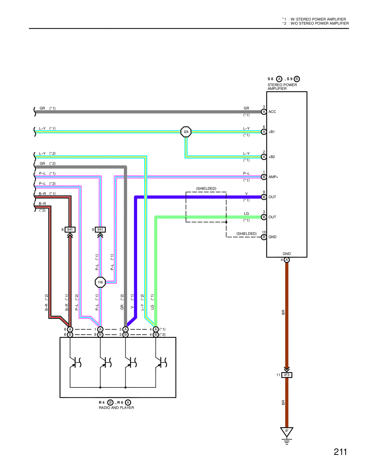
*1 : W/ STEREO POWER AMPLIFIER
*2 : W/O STEREO POWER AMPLIFIER
S8 (A), S9 (B)
STEREO POWER
AMPLIFIER
GR (*1)
L-Y (*1)
I24
L-Y (*2)
GR (*2)
P-L (*1)
P-L (*2)
B-R (*1)
B-R
(*2)
IH1 8
IH1 9
I16
GR 3 (A) ACC
(*1)
L-Y 6
(*1) (A) +B1
L-Y 2
(*1) (A) +B2
P-L 1
(*1) (B) AMP+
(SHIELDED)
V 9
(*1) (B) OUT
LG 3
(*1) (B) OUT
(SHIELDED)
10
(B) GND
GND
4 (A)
BR
11 IF3
BR
IF
B-R (*2)
B-R (*1)
P-L (*2)
P-L (*1)
GR (*2)
V (*1)
L-Y (*2)
LG (*1)
8 (A) 1 (A) 3 (A) 4 (A) (*1)
8 (B) 9 (B) 3 (B) 4 (B) (*2)
R4 (B), R6 (A)
RADIO AND PLAYER
211