
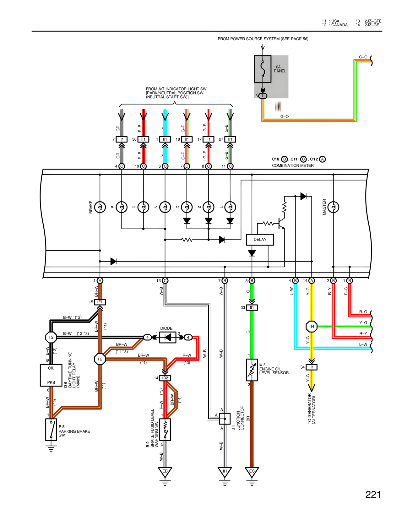
*1 : USA
*2 : CANADA
*3 : 2JZ-GTE
*4 : 2JZ-GE
FROM POWER SOURCE SYSTEM (SEE PAGE 56)
10A
PANEL
3 I1
G-O
G-O
FROM A/T INDICATOR LIGHT SW
[PARK/NEUTRAL POSITION SW
(NEUTRAL START SW)]
GR
R-B
L
G-R
LG-R
G-B
7 II1 36 II1 1 II1 18 II1 17 II1 27 II1
GR
R-B
L
G-R
LG-R
G-B
4 C 10 C 6 C 7 C 8 C 11 C
C10 B C11 C C12 A
COMBINATION METER
BRAKE
P R N D 2 L
MASTER
DELAY
1 A 13 C 7 B 5 B 4 B 14 A 2 B 1 B
BR-W W-B W-B G L-W R-Y R-G
15 IF1
B-W (*2)
B-W (*2*3)
BR-W (*1)
I2
B-W (*2)
10
OIL
PKB
6
DAYTIME RUNNING
LIGHT RELAY
(MAIN)
BR-W (*2)
I2
BR-W
(*1*3)
BR-W
(*4)
BR-W (*1)
DIODE
4 1 2 4
BR-W
R-W
W-B
14 IB2
BR-W (*3)
R-W (*3)
BR-W (*4)
W-B
33 II1
G
W-B
2
Y-G
E 7
ENGINE OIL
LEVEL SENSOR
I14
Y-G
34 II1
Y-G
TO GENERATOR
(ALTERNATOR)
A
J 1
JUNCTION
CONNECTOR
BR
B-W (*2)
6
BR-W
(*2)
P 5
PARKING BRAKE
SW
B 2
BRAKE FLUID LEVEL
WARNING SW
2
W-B
EB
W-B
IH
EC
R-G
Y-G
R-Y
L-W
221