
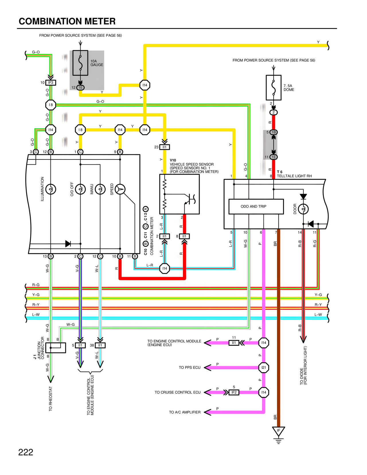
COMBINATION METER
FROM POWER SOURCE SYSTEM (SEE PAGE 56)
G-O
10A
GAUGE
10 IF3
12 1E
I8
G-O
G-O
I14
G-O
G-O
3 C 12 B
ILLUMINATION
O/D OFF
MANU
SPEED
13 B 2 C 12 C 10 B 11 B
W-G V-G W-L
R-G
Y-G
R-Y
L-W
W-G
JUNCTION
CONNECTOR
J1
B B
5 II1 38 II1
W-G
V-G
W-L
TO RHEOSTAT
TO ENGINE CONTROL
MODULE (ENGINE ECU)
Y
>
I14
I8 I14 I14
Y Y Y
1 C 9 B
23 II1
V10
VEHICLE SPEED SENSOR
(SPEED SENSOR) NO. 1
(FOR COMBINATION METER)
1
C12
C11
C10
COMBINATION METER
B C
3
2
8 II1
L-R
L-R
R
11 B
R
I14
G-O
FROM POWER SOURCE SYSTEM (SEE PAGE 56)
Y
7.5A
DOME
2
R
5 1B
11 1E
R
T 6
8 TELLTALE LIGHT RH
1 4
ODO AND TRIP
DOOR
5 10 6 7 14 11
L-R W-G P BR R-B R-G
P
BR
Y-G
R-Y
L-W
R-B
P
TO ENGINE CONTROL MODULE
(ENGINE ECU)
11 II1 I14
P P
TO PPS ECU
I21
P
TO CRUISE CONTROL ECU
5 IF2 I14
P P
TO A/C AMPLIFIER
P
BR
IF
TO DIODE
(FOR INTERIOR LIGHT)
222