
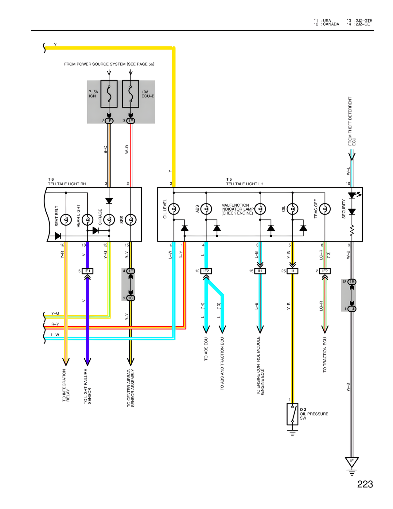
*1 : USA
*2 : CANADA
*3 : 2JZ–GTE
*4 : 2JZ–GE
Y
FROM POWER SOURCE SYSTEM (SEE PAGE 56)
7, 5A
IGN
10A
ECU-B
8 1E 13 1E
B-O W-R
T 6
TELLTALE LIGHT RH
3 2
SEAT BELT
REAR LIGHT
CHRGE
SRS
16 18 12 15
Y-R V Y-G B-Y
5 IE1
4 1E
9 1G
Y-G
R-Y
L-W
TO INTEGRATION RELAY
TO LIGHT FAILURE SENSOR
TO CENTER AIRBAG SENSOR ASSEMBLY
Y
T 5
TELLTALE LIGHT LH
2 10
OIL LEVEL
ABS
MALFUNCTION INDICATOR LAMP (CHECK ENGINE)
OIL
TRAC OFF
SECURITY
6 4 3 5 8 9
L-W R-Y L L-B Y-B LG-R (*3) W-B
12 IF2
15 II1
25 II1
2 IF2
18 1E
1 1J
L (*4)
L (*3)
TO ABS ECU
TO ABS AND TRACTION ECU
TO ENGINE CONTROL MODULE (ENGINE ECU)
TO TRACTION ECU
L-B
Y-B
LG-R
1
O 2
OIL PRESSURE SW
W-B
IE
FROM THEFT DETERRENT ECU
W-L
223