
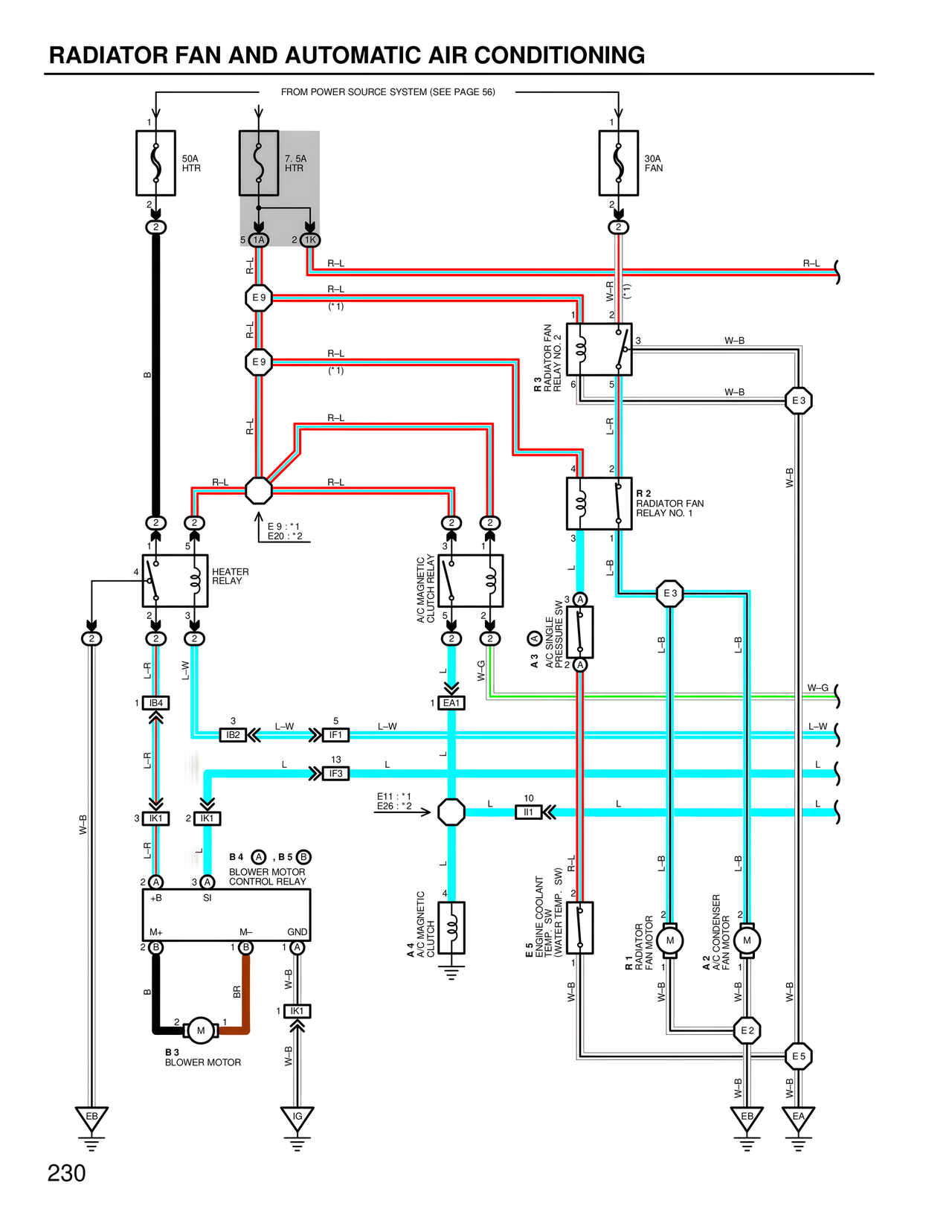
RADIATOR FAN AND AUTOMATIC AIR CONDITIONING
FROM POWER SOURCE SYSTEM (SEE PAGE 56)
1
50A
HTR
2
1
7.5A
HTR
2
5 1A 2 1K
1
30A
FAN
2
R-L
R-L
R-L
E9
R-L
(*1)
W-R (*1)
R3
RADIATOR FAN
RELAY NO. 2
E9
R-L
(*1)
3 W-B
6 5
W-B E3
L-R
R-L
4 2
R2
RADIATOR FAN
RELAY NO. 1
E9:*1
E20:*2
3 1
L L-B
E3
2
2 2
HEATER RELAY
A/C MAGNETIC
CLUTCH RELAY
A3
A/C SINGLE
PRESSURE SW.
L-B
L-B
W-G
L-R L-W
2 2
1 IB4
3
IB2
L-W 5
IF1
L-W
W-G
L-W
2 5
A/C MAGNETIC
CLUTCH
1 EAT
W-G
L
13
IF3
L
L
E11:*1
E26:*2
10
II1
L
L
L
3 IK1 2 IK1
L-R
B4 A , B5 B
BLOWER MOTOR
CONTROL RELAY
2 A 3 A
+B SI
M+ M- GND
2 B 1 A
B
4
A4
MAGNETIC
CLUTCH
R-L
E5
ENGINE COOLANT
WATER TEMP. SW.
R1
RADIATOR
FAN MOTOR
A2
CONDENSER
FAN MOTOR
BR W-B
2 M 1
B3
BLOWER MOTOR
1 IK1
W-B
IG
W-B
M
W-B
M
L-B
L-B
E2
EB
W-B W-B
E5 EA
EB
230