
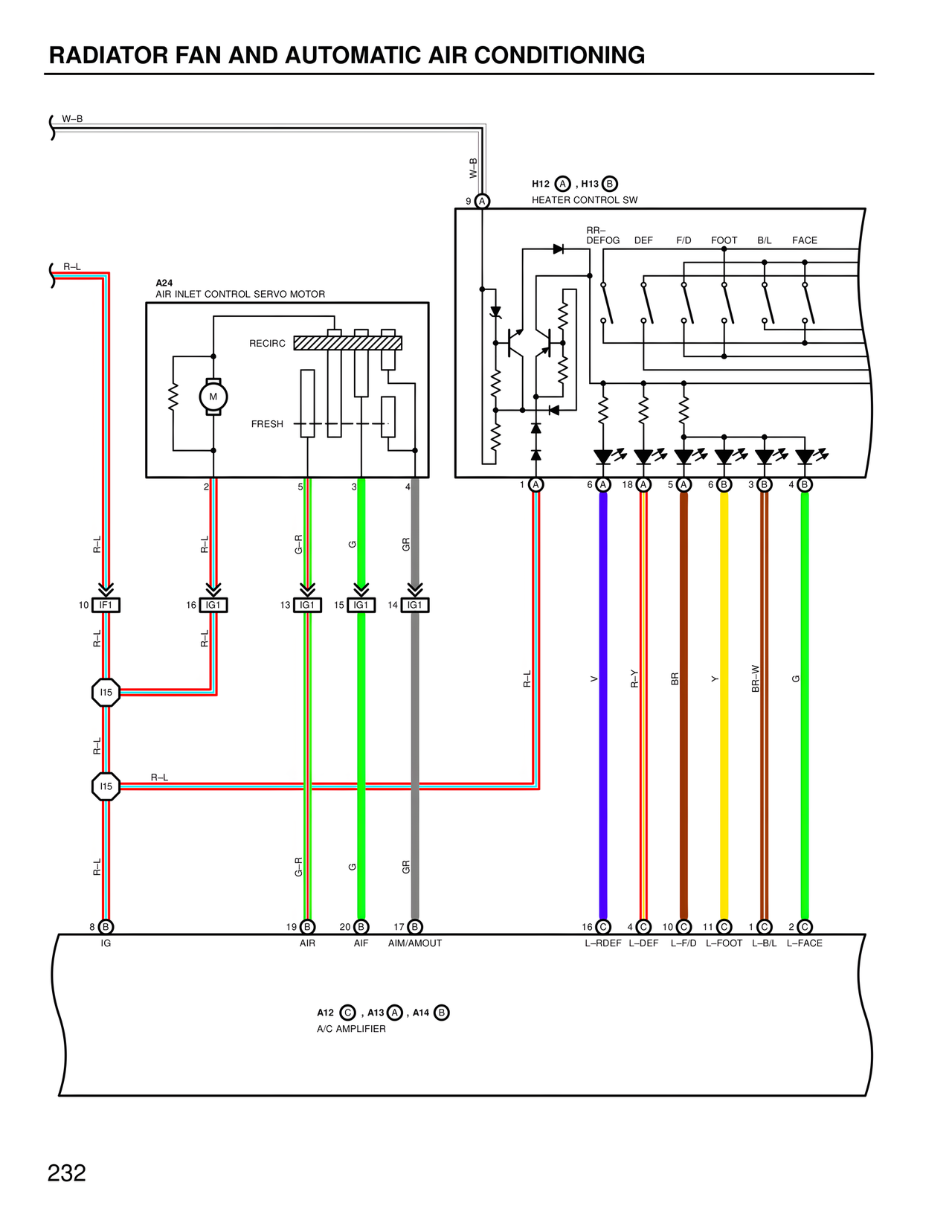
RADIATOR FAN AND AUTOMATIC AIR CONDITIONING
W-B
W-B
H12 A , H13 B
HEATER CONTROL SW
9 A
RR-
DEFOG DEF F/D FOOT B/L FACE
R-L
A24
AIR INLET CONTROL SERVO MOTOR
RECIRC
M
FRESH
2 5 3 4
R-L R-L G-R G GR
10 IF1 16 IG1 13 IG1 15 IG1 14 IG1
R-L
I15
R-L
I15
R-L
G-R G GR
8 B 19 B 20 B 17 B
IG AIR AIF AIM/AMOUT
1 A 6 A 18 A 5 A 6 B 3 B 4 B
R-L Y R-Y BR Y BR-W G
16 C 4 C 10 C 11 C 1 C 2 C
L-RDEF L-DEF L-F/D L-FOOT L-B/L L-FACE
A12 C , A13 A , A14 B
A/C AMPLIFIER