
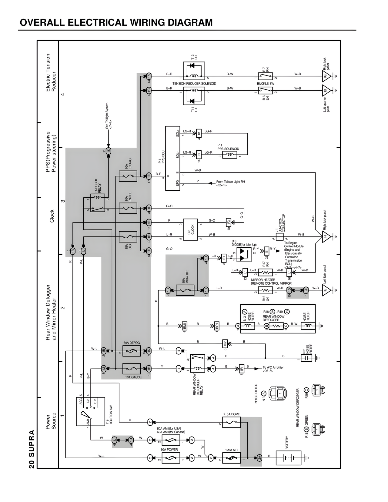
OVERALL ELECTRICAL WIRING DIAGRAM
20 SUPRA
Electric Tension Reducer
4
PPS(Progressive Power steering)
3
Clock
3
Rear Window Defogger and Mirror Heater
2
Power Source
1
See Taillight System <7-1>
T12
RH
B-R
B-W
W-B
Right kick panel
B7
BUCKLE SW
W-B
B-R
B-W
W-B
Left quarter pillar
B6
TENSION REDUCER SOLENOID
T1 L1
SOL
LG-R
LG-R
P 1
PPS SOLENOID
SOL
LG-R
LG-R
P 4
PPS ECU
W-B
B-R
ECU-IG
10A
SPD
From Telltale Light RH <25-1>
TAILLIGHT RELAY
ILL
PANEL
AM
G-O
G-O
R
G-O
G-O
C6
CLOCK
W-B
L-R
G-O
DC
10A
D 8
DIODE(for Idle-Up)
L-R
L-R
R-Y
To Engine Control Module (Engine and Electronically Controlled Transmission ECU)
L-R
L-R
W-B
MIRROR HEATER [REMOTE CONTROL MIRROR]
W-B
<3-2><4-7>
W-B
Left kick panel
MIR-HTR
10A
RH
W-B
W-B
Right kick panel
R18
R19
NOISE FILTER
REAR WINDOW DEFOGGER
B-W
N-3
2 3
8 80A
B
B
B
NOISE FILTER
B
B
To A/C Amplifier <26-5>
REAR WINDOW DEFOGGER RELAY
30A DEFOG
W-L
W-L
Y
B-Y
10A GAUGE
P-L
R
P-L
R
NOISE FILTER
N-3
2 2
AC2
IG1
ST1
I19
IGNITION SW
AM1
7
R
7.5A DOME
REAR WINDOW DEFOGGER
NOISE FILTER
N-3
R10
GREEN
50A AM1(for USA)
60A AM1(for Canada)
BATTERY
W
W
60A POWER
W
W
120A ALT
B
W-L
1 IGNITION CONNECTOR
A
W-B
W-B
Right kick panel