
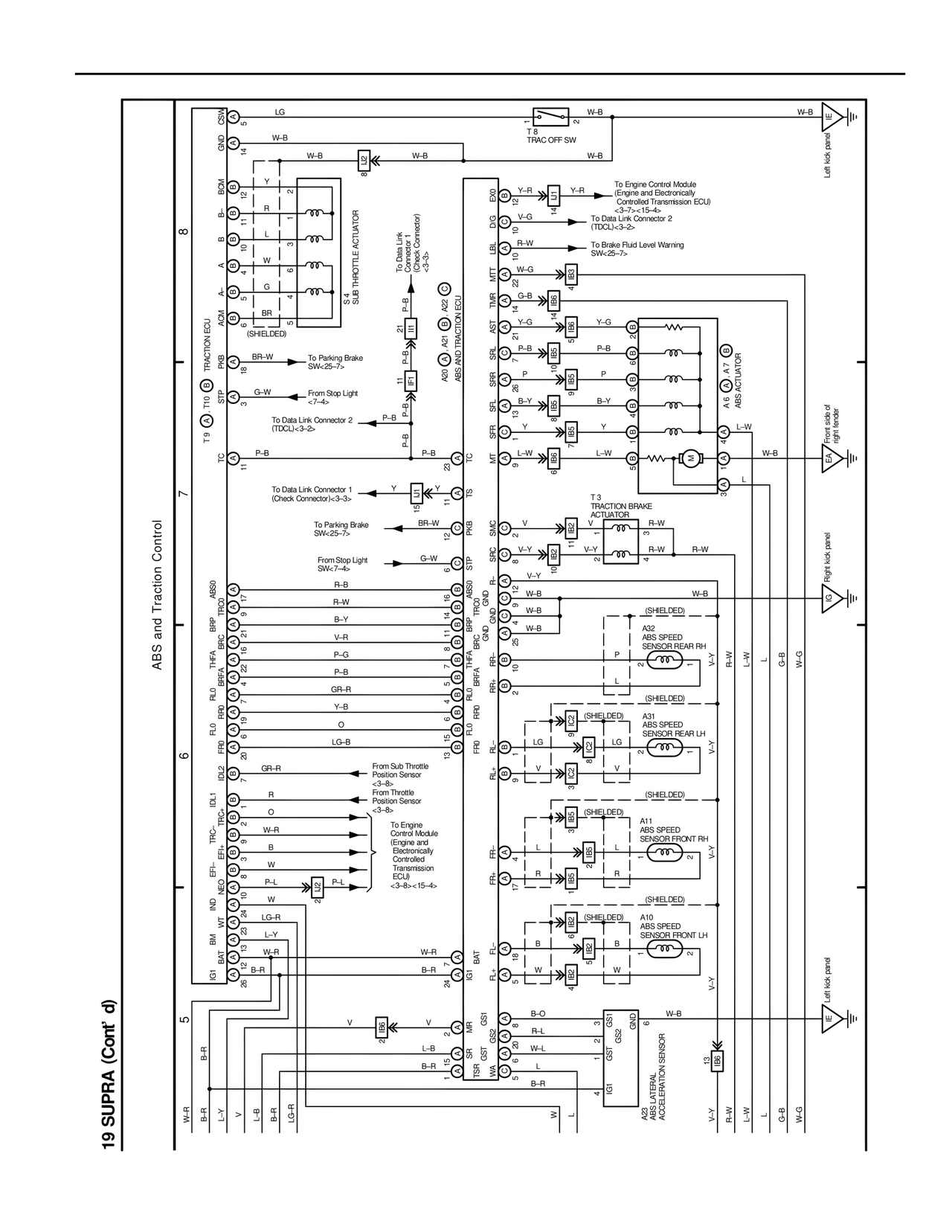
19 SUPRA (Cont'd)
ABS and Traction Control
GSW
LG
W-B
W-B
T 8
TRAC OFF SW
W-B
W-B
GND
W-B
BCM
Y
R
B-
B
L
A
W
G
BR
(SHIELDED)
SUB THROTTLE ACTUATOR
To Data Link
Connector
<3-3>
To Parking Brake
SW<25-7>
BR-W
PKB
G-W
From Stop Light
SW<7-4>
STP
To Data Link Connector 2
(TDCL)<3-2>
P-B
P-B
P-B
P-B
To Data Link Connector 1
(Check Connector)<3-3>
Y
Y
To Parking Brake
SW<25-7>
BR-W
PKB
From Stop Light
SW<7-4>
G-W
STP
TRACTION ECU
ACM
PKB
STP
T10
T9
TC
A22
ABS AND TRACTION ECU
A21
A20
A1
Y-R
Y-R
To Engine Control Module
(Engine and Electronically
Controlled Transmission ECU)
3-7><15-4>
V-G
To Data Link Connector 2
(TDCL)<3-2>
R-W
To Brake Fluid Level Warning
SW<25-7>
W-G
G-B
Y-G
Y-G
P-B
P-B
P
P
B-Y
B-Y
Y
Y
L-W
L-W
W-B
VTT
AS3
AS2
AS1
AS0
FR
A7
ABS ACTUATOR
Front side of
right fender
T3
TRACTION BRAKE
ACTUATOR
V
R-W
V-Y
R-W
R-W
W-B
W-B
(SHIELDED)
W-B
A32
ABS SPEED
SENSOR REAR RH
P
R-W
L
G-B
W-G
(SHIELDED)
A31
ABS SPEED
SENSOR REAR LH
LG
LG
V
V
(SHIELDED)
A11
ABS SPEED
SENSOR FRONT RH
L
L
V-Y
R
R
(SHIELDED)
A10
ABS SPEED
SENSOR FRONT LH
B
B
W
W
V-Y
ABS0
BRP
BRC
THFA
RLD
RRD
FLD
FRD
IDL2
IDL1
TRC-
EFL-
EFL+
NEO
IND
BM
WT
BAT
IG1
R-B
R-W
B-Y
V-R
P-G
P-B
GR-R
Y-B
O
LG-B
GR-R
R
O
W-R
B
W
P-L
W
LG-R
L-Y
W-R
B-R
From Sub Throttle
Position Sensor
<3-8>
From Throttle
Position Sensor
<3-8>
To Engine
Control Module
(Engine and
Electronically
Controlled
Transmission
ECU)
<3-8><15-4>
P-L
W-R
B-R
ABS0
BRP
BRC
THFA
BRA
RLD
RRD
FLD
FRD
FL1
FL2
FL3
FL4
FL5
GND
BAT
IG1
MR
GST
SRT
TSR
B-O
R-L
W-L
L
B-R
W
L
GST1
GST2
GST
GND
G1
W-B
V-Y
R-W
L
G-B
W-G
A2
AS LATERAL
ACCELERATION SENSOR
Right kick panel
Left kick panel
Left kick panel
Left Panel
B-R
W-R
L-Y
Y
L-B
B-R
LG-R
V
L-B
B-R
STP
GND
BAT
IG1
FL1
FL2
FL3
FL4
FL5