
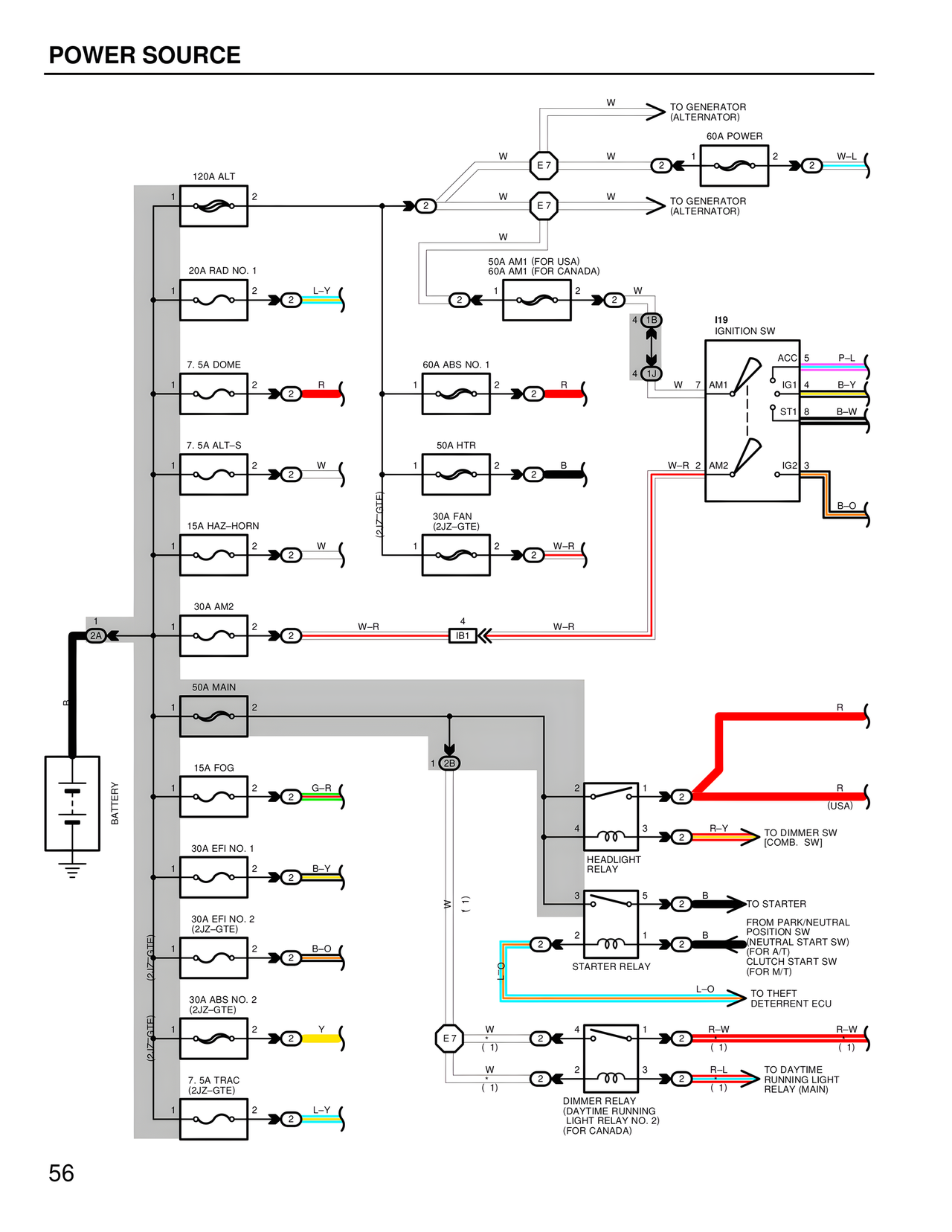
POWER SOURCE
TO GENERATOR
(ALTERNATOR)
60A POWER
W-L
120A ALT
1 2
W
E7 W 2 1 2
W
E7
TO GENERATOR
(ALTERNATOR)
W
50A AM1 (FOR USA)
60A AM1 (FOR CANADA)
20A RAD NO. 1
1 2
L-Y
2 1 2 W
4 1B
I19
IGNITION SW
4 1J
ACC 5 P-L
7.5A DOME
1 2
R
60A ABS NO. 1
1 2
R
W 7 AM1
IG1 4 B-Y
ST1 8 B-W
7.5A ALT-S
1 2
W
50A HTR
1 2
B
W-R 2 AM2
IG2 3
B-O
15A HAZ-HORN
1 2
W
30A FAN
(2JZ-GTE)
1 2
W-R
30A AM2
1 2
2
W-R
4
IB1
W-R
2A
50A MAIN
1 2
R
15A FOG
1 2
G-R
2B
1
2 2 1 2
R
(USA)
30A EFI NO. 1
1 2
B-Y
4 3 2 R-Y
TO DIMMER SW
[COMB. SW]
HEADLIGHT
RELAY
30A EFI NO. 2
(2JZ-GTE)
1 2
B-O
3 5 2 B
TO STARTER
FROM PARK/NEUTRAL
POSITION SW
(NEUTRAL START SW)
(FOR A/T)
CLUTCH START SW
(FOR M/T)
W
( 1)
2 1 B
STARTER RELAY
30A ABS NO. 2
(2JZ-GTE)
1 2
Y
L-O
TO THEFT
DETERRENT ECU
7.5A TRAC
(2JZ-GTE)
1 2
L-Y
E7 W 4 1 2 R-W R-W
( 1) 2 ( 1) ( 1)
W 2 3 2 R-L
TO DAYTIME
RUNNING LIGHT
RELAY (MAIN)
DIMMER RELAY
(DAYTIME RUNNING
LIGHT RELAY NO. 2)
(FOR CANADA)
BATTERY
(2JZ-GTE)
(2JZ-GTE)
(2JZ-GTE)
56