
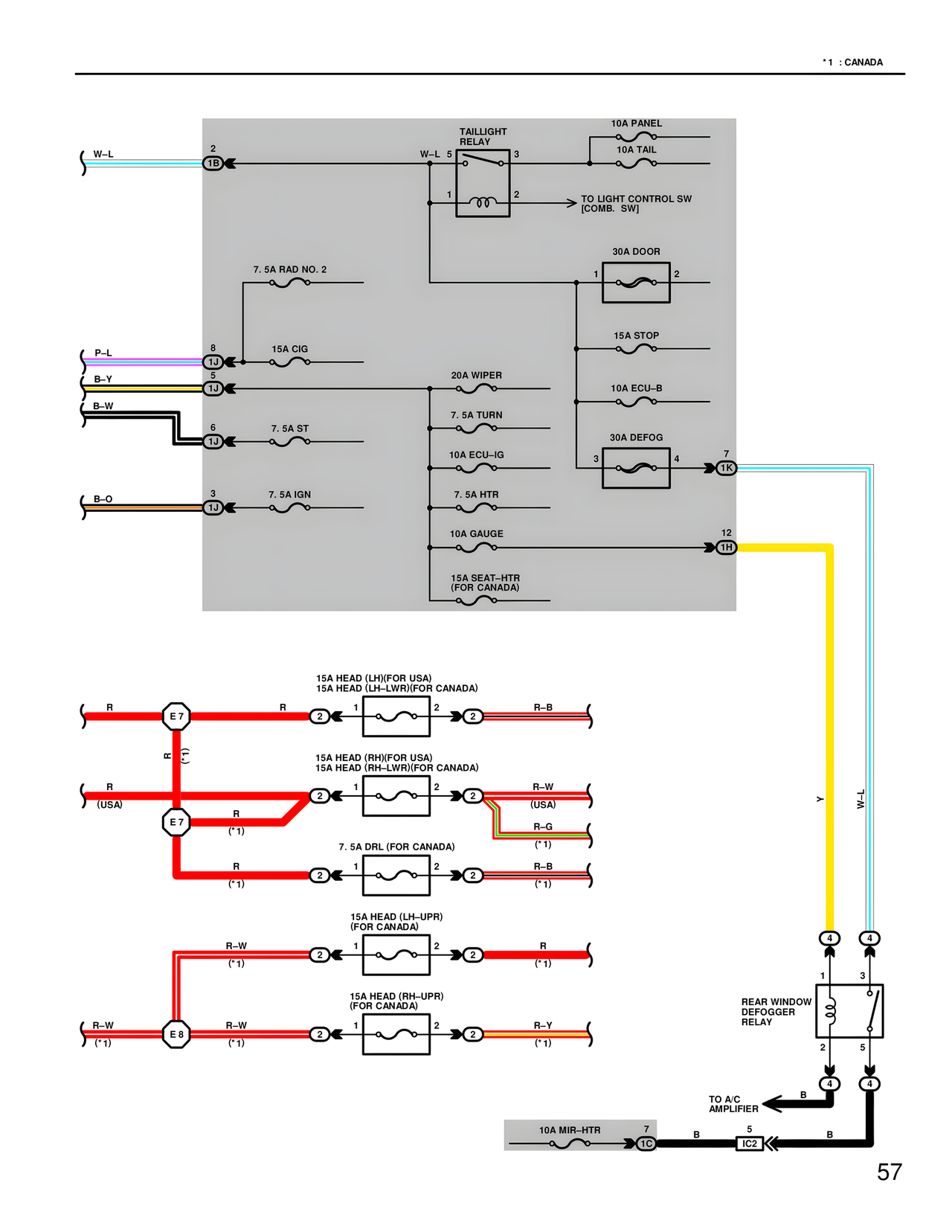
*1 : CANADA
TAILLIGHT
RELAY
W-L 5
3
10A PANEL
10A TAIL
1
2
TO LIGHT CONTROL SW
[COMB. SW]
30A DOOR
1
2
7. 5A RAD NO. 2
15A CIG
8
1J
P-L
5
1J
B-Y
B-W
6
1J
7. 5A ST
20A WIPER
15A STOP
10A ECU-B
7. 5A TURN
10A ECU-IG
30A DEFOG
3
4
7
1K
B-O
3
1J
7. 5A IGN
7. 5A HTR
10A GAUGE
12
1H
15A SEAT-HTR
(FOR CANADA)
15A HEAD (LH)(FOR USA)
15A HEAD (LH-LWR)(FOR CANADA)
R
E 7
R
2
1
2
2
R-B
R
15A HEAD (RH)(FOR USA)
15A HEAD (RH-LWR)(FOR CANADA)
R
(USA)
E 7
R
2
1
2
2
R-W
(USA)
R
(*1)
R-G
(*1)
7. 5A DRL (FOR CANADA)
R
(*1)
2
1
2
2
R-B
(*1)
15A HEAD (LH-UPR)
(FOR CANADA)
R-W
(*1)
2
1
2
2
R
(*1)
15A HEAD (RH-UPR)
(FOR CANADA)
R-W
E 6
R-W
(*1)
(*1)
2
1
2
2
R-Y
(*1)
Y
W-L
4
4
1
3
REAR WINDOW
DEFOGGER
RELAY
2
5
4
4
B
TO A/C
AMPLIFIER
10A MIR-HTR
7
1C
B
5
IC2
B
57