
B-O
I20
B-O
9 IJ1
B-W
(A/T)
B-O
19
IG-
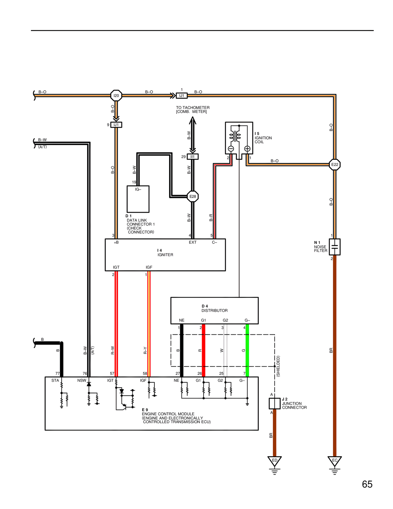
D 1
DATA LINK
CONNECTOR 1
(CHECK
CONNECTOR)
B
B-W
(A/T)
77
STA
76
NSW
57
IGT
TO TACHOMETER
[COMB. METER]
B-W
29 II1
B-W
E28
B-W
3
+B
I 4
IGNITER
IGT IGF
2 1
R-W R-Y
58
IGF
1
IJ1
B-O
B-R
4
EXT
5
C-
D 4
DISTRIBUTOR
NE G1 G2 G-
1 2 3 4
B R W G
27 26 25 7
NE G1 G2 G-
I 5
IGNITION
COIL
2 1
B-O
E22
B-O
N 1
NOISE
FILTER
1
2
BR
(SHIELDED)
A
J 2
JUNCTION
CONNECTOR
A
BR
ED EC
E 9
ENGINE CONTROL MODULE
(ENGINE AND ELECTRONICALLY
CONTROLLED TRANSMISSION ECU)
65