
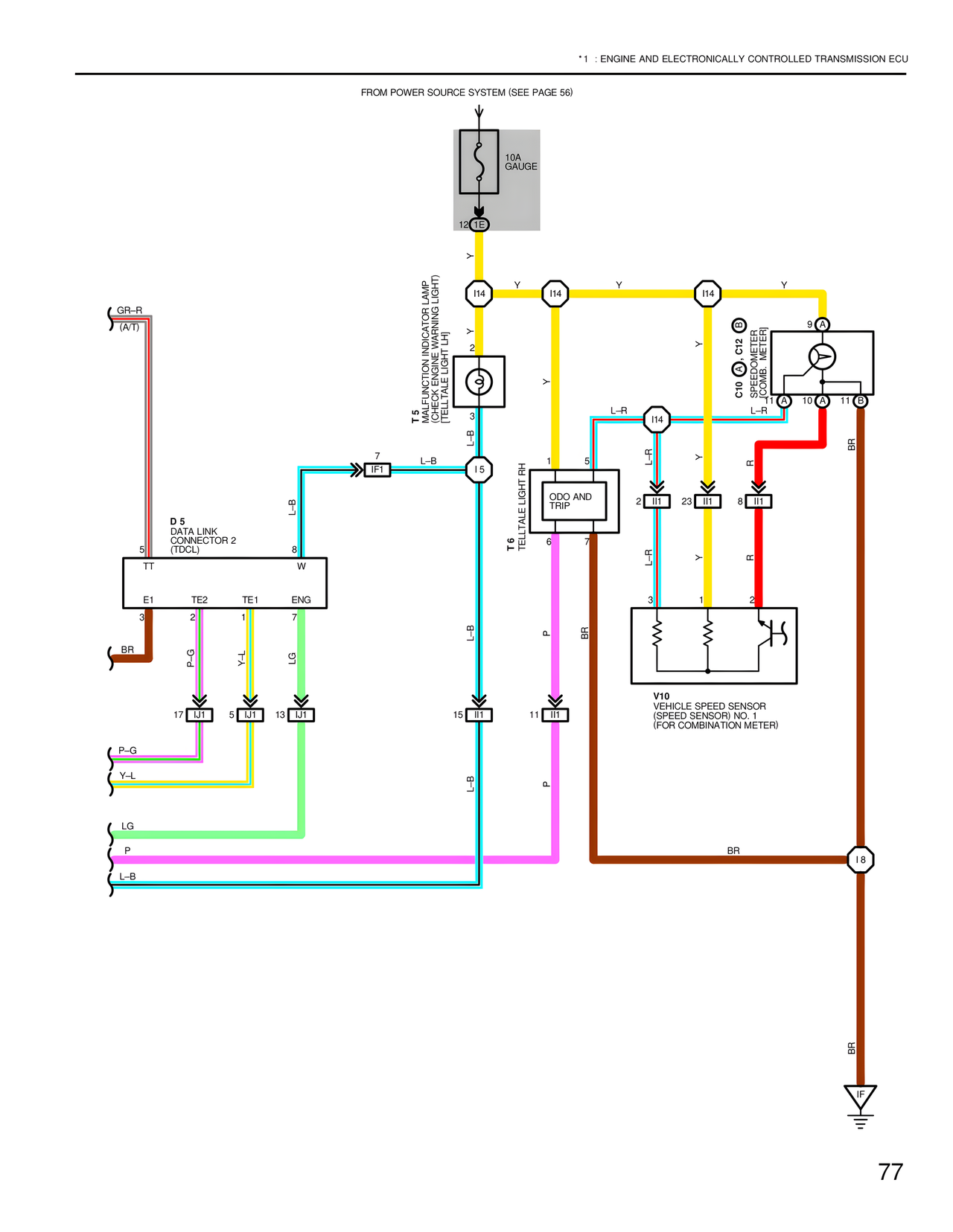
*1 : ENGINE AND ELECTRONICALLY CONTROLLED TRANSMISSION ECU
FROM POWER SOURCE SYSTEM (SEE PAGE 56)
10A
GAUGE
12 IE
I14 Y I14 Y I14 Y
MALFUNCTION INDICATOR LAMP
(CHECK ENGINE WARNING LIGHT)
[TELLTALE LIGHT LH]
T 5
2
3
L–B
7
>>IF1
L–B
I 5
1 5
L–R I14
ODO AND
TRIP
T 6
TELTALE LIGHT RH
6 7
P BR
C10 C12
SPEEDOMETER
(COMB. METER)
9 A
10 A 11 B
L–R
R
BR
2 II1 23 II1 8 II1
Y
L–R
Y
R
3 1 2
V10
VEHICLE SPEED SENSOR
(SPEED SENSOR) NO. 1
(FOR COMBINATION METER)
GR–R
(A/T)
D 5
DATA LINK
CONNECTOR 2
(TDCL)
5
TT W
E1 TE2 TE1 ENG
3 2 1 7
BR P–G Y–L LG
17 IJ1 5 IJ1 13 IJ1
P–G
Y–L
LG
P
L–B
8
L–B
15 II1
L–B
11 III1
P
BR
I8
BR
IF
77