
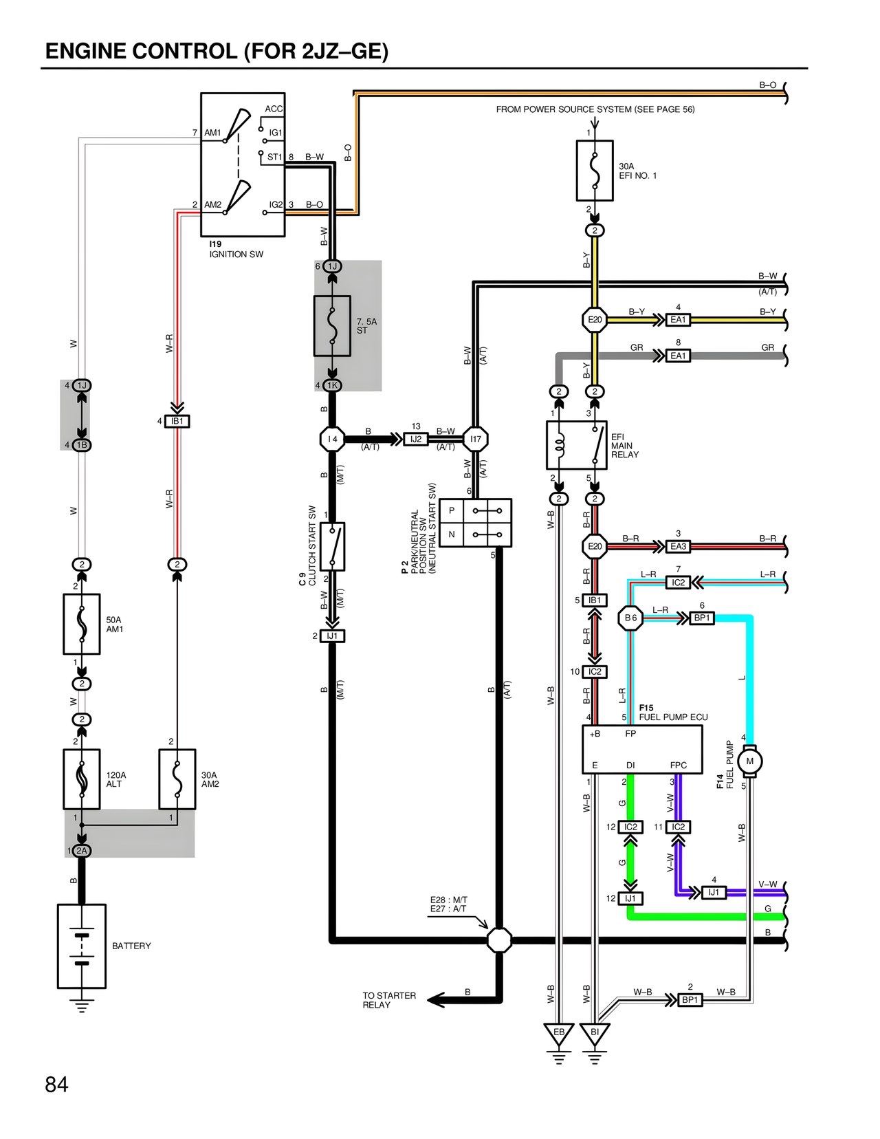
ENGINE CONTROL (FOR 2JZ–GE)
FROM POWER SOURCE SYSTEM (SEE PAGE 56)
B–O
1
30A
EFI NO. 1
2
B–Y
B–W
(A/T)
4
E20 EA1 B–Y
GR 8
EA1 GR
B–Y
2
2
1
3
EFI
MAIN
RELAY
ACC
7 AM1
IG1
ST1 8 B–W B–O
2 AM2
IG2 3 B–O
B–W
I19
IGNION SW
6 1J
7.5A
ST
4 1K
I4 B 13 B–W I17
(A/T) (A/T)
B
(M/T)
C 9
CLUTCH START SW
1
B–W
(M/T)
2 IJ1
B
(M/T)
P 2
PARK/NEUTRAL
POSITION SW
(NEUTRAL START SW)
P
N
B
(A/T)
B–W
(A/T)
B–W
(A/T)
B–R
2
5
E20 B–R 3 EA3 B–R
B–R 7
IC2 L–R
L–R
5 IB1
B6 L–R 6 BP1
B–R
10
IC2
W–B
4
IC2 5
F15
FUEL PUMP ECU
+B FP
E DI FPC
W–B 1 2 W–B V–W 3 V–W
12 IC2 11 IC2
G
V–W
12 IJ1 4 IJ1
G
E28 : M/T
E27 : A/T
W–B W–B 2
EB BI BP1 W–B
TO STARTER
RELAY B
W 4 1J
4 IB1
4 1B
W–R
W
2
2
50A
AM1
1
2
W
2
120A
ALT
2A
30A
AM2
1 1
BATTERY
W–R
L
F14
FUEL PUMP
M
4
5
W–B
V–W
G
B
84