
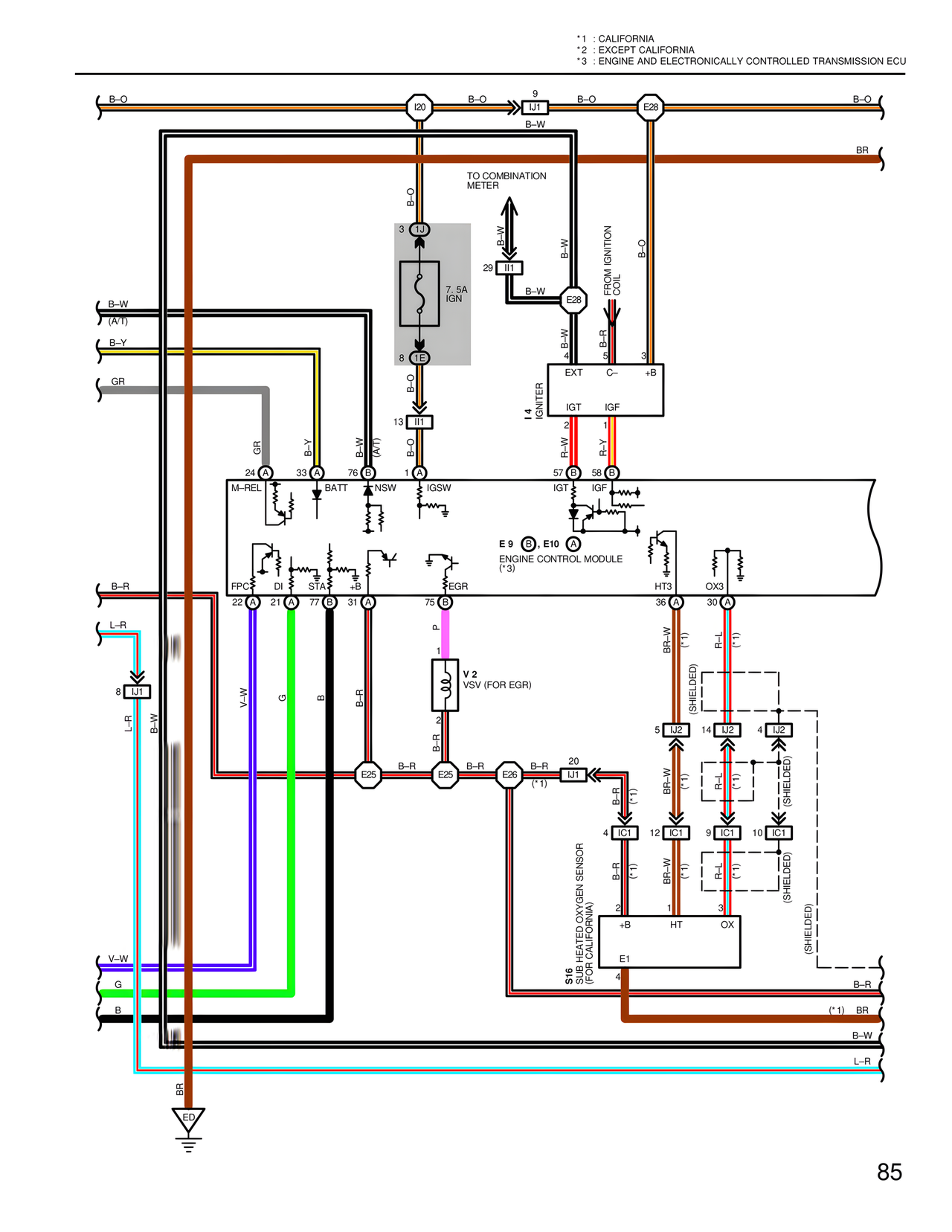
*1 : CALIFORNIA
*2 : EXCEPT CALIFORNIA
*3 : ENGINE AND ELECTRONICALLY CONTROLLED TRANSMISSION ECU
B-O
I20
B-O
9
IJ1
B-O
E28
B-O
B-W
BR
TO COMBINATION
METER
B-O
3 IJ
7.5A
IGN
8 IE
B-O
13 II1
B-W
29 II1
B-W
E28
B-O
FROM IGNITION
COIL
B-W (A*1)
B-Y
GR
GR
B-Y
B-W
(A/T)
B-O
1 A
24 A M-REL
33 A BATT
76 B NSW
IGSW
B-W
4
EXT
B-R
C-
3
+B
I 4
IGNITER
IGT
IGF
R-W
2
R-Y
57 B IGT
58 B IGF
E 9 B E10 A
ENGINE CONTROL MODULE
(*3)
B-R
FPC
22 A
DI
21 A
77 B
STA
31 A
EGR
75 B
L-R
8 IJ1
B-W
L-R
V-W
G
B
P
1
V 2
VSV (FOR EGR)
2
B-R
HT3
36 A
OX3
30 A
BR-W (*1)
R-L (*1)
(SHIELDED)
5 IJ2
14 IJ2
4 IJ2
BR-W (*1)
R-L (*1)
(SHIELDED)
4 IC1
12 IC1
9 IC1
10 IC1
BR-W (*1)
R-L (*1)
(SHIELDED)
2
+B
1
HT
3
OX
E1
4
S16
SUB HEATED OXYGEN SENSOR
(FOR CALIFORNIA)
E25
B-R
E25
B-R
E26
B-R
20
IJ1
(*1)
B-R (*1)
B-R (*1)
(*1) BR
B-W
L-R
BR
ED
V-W
G
B
85