
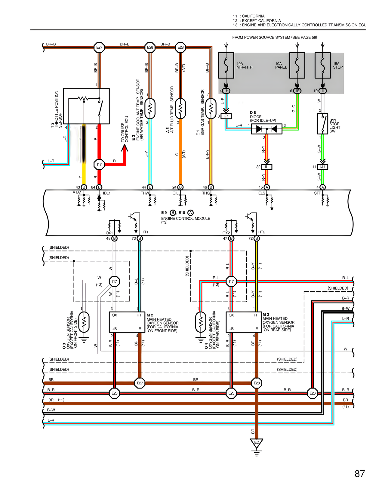
*1 : CALIFORNIA
*2 : EXCEPT CALIFORNIA
*3 : ENGINE AND ELECTRONICALLY CONTROLLED TRANSMISSION ECU
FROM POWER SOURCE SYSTEM (SEE PAGE 56)
10A
MIR-HTR
10A
PANEL
15A
STOP
4 1R
6 1E
10 I1
L-R
G-O
W
D 8
DIODE
(FOR IDLE-UP)
L-R
3
2
S11
STOP
LIGHT
SW
R-Y
32 II1
R-Y
15 A
ELS
G-W
11 IJ1
G-W
4 A
STP
BR-B
E27
BR-B
E28
BR-B
E28
BR-B
BR-B
BR-B
(A/T)
T2
THROTTLE POSITION
SENSOR
4 3 2 1
TO CRUISE
CONTROL ECU
E 3
ENGINE COOLANT TEMP. SENSOR
(EH WATER TEMP. SENSOR)
A 5
A/T FLUID TEMP. SENSOR
E 1
EGR GAS TEMP. SENSOR
L-R
Y
R
L-Y
O
BR-Y
(A/T)
I17
R
43 B 64 B
VTA1 IDL1
44 B
THW
24 B
OIL
46 B
THG
E 9 B, E10 A
ENGINE CONTROL MODULE
(*3)
48 B
OX1
73 B
HT1
47 B
OX2
72 B
HT2
(SHIELDED)
(SHIELDED)
W
I17
R-L
(*2)
W
W
(*1)
(SHIELDED)
R-L
I17
B-Y
(*2)
R-L
(*1)
B-Y
(*1)
R-L
(SHIELDED)
B-R
B-W
L-R
O 3
OXYGEN SENSOR
(EXCEPT CALIFORNIA
ON FRONT SIDE)
1
2
B-R
W
3
OX
HT
M 2
MAIN HEATED
OXYGEN SENSOR
(FOR CALIFORNIA
ON FRONT SIDE)
+B
4
E
B-R (*1)
BR (*1)
O 4
OXYGEN SENSOR
(EXCEPT CALIFORNIA
ON REAR SIDE)
1
2
B-R
3
OX
HT
M 3
MAIN HEATED
OXYGEN SENSOR
(FOR CALIFORNIA
ON REAR SIDE)
+B
4
E
B-R (*1)
BR (*1)
W
(SHIELDED)
(SHIELDED)
(SHIELDED)
(SHIELDED)
BR
E27
BR
E28
B-R
E23
B-R
E23
B-R
E26
B-R
BR (*1)
BR (*1)
B-W
L-R
BR
ED
87