
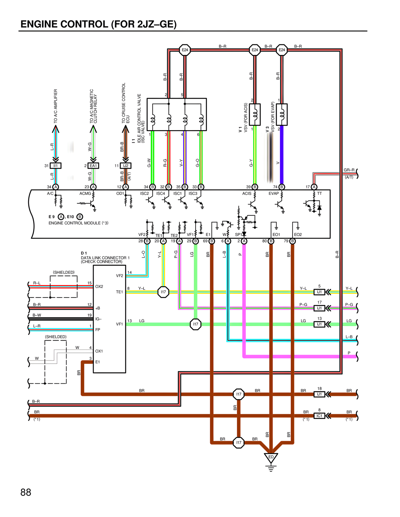
ENGINE CONTROL (FOR 2JZ–GE)
TO A/C AMPLIFIER
TO A/C MAGNETIC CLUTCH RELAY
TO CRUISE CONTROL ECU
L–R
W–G
BR–B
31 II1
2 EA1
11 IU2
L–R
W–G
BR–B (A/T)
34 A
23 A
12 A
A/C
ACMG
OD1
E9 A, E10 B
ENGINE CONTROL MODULE (*3)
B–R
B–R
B–R
B–R
B–R
B–R
B–R
E24
E24
E24
I1
IDLE AIR CONTROL VALVE
(ISC VALVE)
2
3
4
5
6
B–R
B–R
B–R
B–R
B–R
G–W
B–G
V–Y
G–O
34 B
32 B
35 B
33 B
ISC2
ISC4
ISC1
ISC3
V1
VSV (FOR ACIS)
2
1
B–R
G–Y
39 B
ACIS
V3
VSV (FOR EVAP)
2
1
B–R
(blue wire)
74 B
EVAP
GR–R
(A/T)
17 A
TT
28 B
VF2
20 A
TE1
19 A
TE2
29 B
E1
69 B
W
6 A
SP1
2 A
80 B
EO1
79
EO2
L–O
Y–Y
P–G
LG
BR
L–B
P
BR
BR
B–R
D 1
DATA LINK CONNECTOR 1
(CHECK CONNECTOR)
VF2 14
15 OX2
TE1 8
12 +B
20
19 IG–
1 FP
VF1 13
4 OX1
3 E1
BR
(SHIELDED)
R–L
B–R
B–W
L–R
(SHIELDED)
W
Y–L
P–G
LG
L–B
P
BR
II7
II7
II7
II7
Y–L 5
IJ1
P–G 17
IJ1
LG 13
IJ1
BR 18
IJ1
BR 8
IC1
Y–L
P–G
LG
BR
BR
(*1)
B–R
BR
(*1)
ED
88