
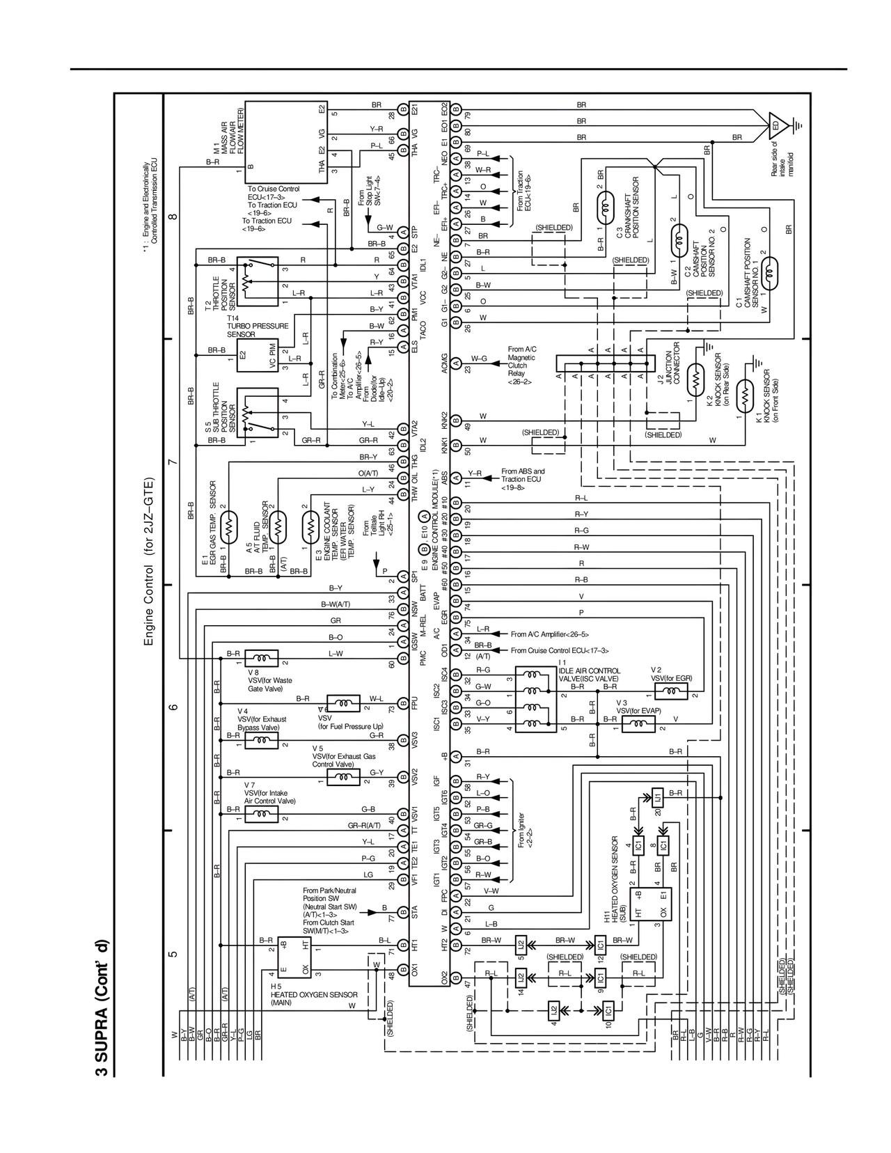
3 SUPRA (Cont'd)
Engine Control (for 2JZ-GTE)
*1 Engine and Electronically
Controlled Transmission ECU
M1
MASS AIR
FLOW/AIR
FLOW METER
E2 VG
THA E1
To Cruise Control
ECU<17-3>
To Traction ECU
<19-6>
To Traction ECU
<19-6>
BR-B
T2
THROTTLE
SENSOR
T14
TURBO PRESSURE
SENSOR
VC PM
L-R
L-R
BR-B
S5 SUB THROTTLE
SENSOR
(S5 S3 S6)
GR-R
BR-B
E1
EGR GAS TEMP. SENSOR
A5
AT FLUID
TEMP. SENSOR
E3 ENGINE COOLANT
TEMP. SENSOR
From
Taillite
Up SW
BR-B BR-B BR-B (AT) (AT)
B-Y
B-W(A/T)
GR
B-O
L-W
V8
VSV(for Waste
Gate Valve)
V4
VSV(for Exhaust
Bypass Valve)
V5
VSV(for Exhaust Gas
Control Valve)
V7
VSV(for Intake
Air Control Valve)
From Park/Neutral
Position SW
(Neutral Start SW)
(A/T)<1-3>
From Clutch Start
SW(M/T)<1-3>
H5
HEATED OXYGEN SENSOR
(MAIN)
BR
Y-R
P-60
BR-B
G-W
BR-B
R
Y 64
43
PH4
PH
B-Y 41
BR-Y
O(A/T)
L-Y
B-Y
BR-Y
Y-L
GR-R
G-B
Y-L
P-G
LG
B
F
W
E2 EC2
EC1
NEO
TRC
NE
E2 STP
IDL1
VCC
TACO
ELS
IDL2
THG
THW
O(A/T)
SP1
SP2
STA
OX1
E10
E9
BAT
EVAP
NSW
M-REL
EGR
A/C
PMC
IGC2
IGC1
IGF
IGT6
IGT5
IGT4
IGT3
IGT2
IGT1
PRC
STA
HT2
OX2
VTA1
VTA2
ACMG
KNK2
KNK1
BR
BR
BR
P-L
W-R
From Traction
ECU<19-6>
From Traction
ECU<19-8>
BR
BR
L
B-W
O
W
W-G
From A/C
Magnetic
Clutch
Relay
<26-2>
W
(SHIELDED)
W
(SHIELDED)
Y-R From ABS and
Traction ECU
<19-8>
R-L
R-Y
R-G
R-W
R
R-B
P
BR-B From A/C Amplifier<26-5>
From Cruise Control ECU<17-3>
(A/T)
R-G
G-W
G-O
B-Y
R-Y
L-O
P-B
GR-G
GR-B
GR-B
R-W
V-W
G
L-B
BR-W
BR-W BR-W
R-L R-L
C3
CAMSHAFT
POSITION
SENSOR
C2 CAMSHAFT
POSITION
SENSOR NO. 2
C1 CAMSHAFT
POSITION
SENSOR NO. 1
(SHIELDED)
(SHIELDED)
(SHIELDED)
Rear side of
intake
manifold
J2
CONNECTOR
K2 KNOCK SENSOR
(on Rear Side)
K1
KNOCK SENSOR
(on Front Side)
I1
IDLE AIR CONTROL
VALVE(ISC VALVE)
B-R B-R
V2
VSV for EGR
V3
VSV(for EVAP)
From Igniter
<2-2>
H11 HEATED OXYGEN SENSOR
(SUB)
To Combination
Amplifier<25-5>
To A/C
Decelerator
<26-2>
VSV
(for Fuel Pressure Up)
TRW CONTROL MODULE<1>
ENGINE CONTROL MODULE<1>
W-L
B-R
G-R
G-Y
BR-B
B-R
BR-B
BR-B
BR-B
BR-B
BR-B
BR-B
(SHIELDED)
(SHIELDED)
(SHIELDED)