
OVERALL ELECTRICAL WIRING DIAGRAM
(Cont. next page)
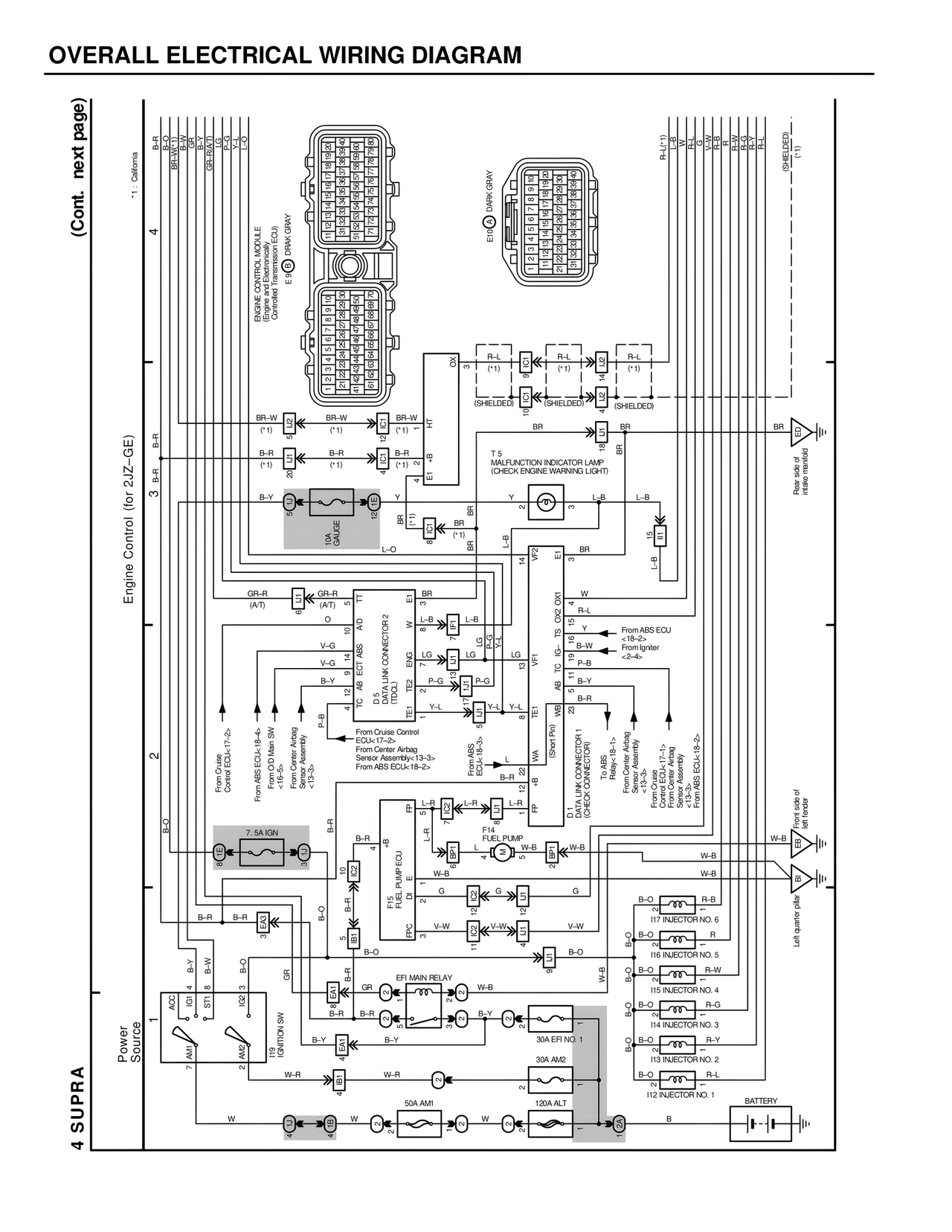
4 SUPRA
Engine Control (for 2JZ–GE)
*1 : California
ENGINE CONTROL MODULE
(Electronic Controlled Transmission ECU)
E8 DARK GRAY
E10 DARK GRAY
T.5
MALFUNCTION INDICATOR LAMP
(CHECK ENGINE WARNING LIGHT)
DATA LINK CONNECTOR 2
(TDCL)
D5
From Cruise Control
ECU<17-2>
From O/D Main SW
From Center Airbag
Sensor Assembly<13-3>
From ABS ECU<18-2>
From ABS ECU<18-4>
From O/D Main SW
From Center Airbag
Sensor Assembly
<15-3>
From Cruise
Control ECU<17-2>
DATA LINK CONNECTOR 1
(OBD II)
D1
From ABS<18-3>
From ABS
Relay<18-1>
From Center Airbag
Sensor Assembly
<13-3>
From Cruise
Control ECU<17-1>
From ABS ECU<18-2>
7. 5A IGN
10A GAUGE
F15
FUEL PUMP ECU
F14
FUEL PUMP
EFI MAIN RELAY
Power
Source
ACC
IGI
ST1
IG2
IGNITION SW
AM1
AM2
50A AM1
120A ALT
30A AM2
30A EFI NO. 1
I17 INJECTOR NO. 6
I16 INJECTOR NO. 5
I15 INJECTOR NO. 4
I14 INJECTOR NO. 3
I13 INJECTOR NO. 2
I12 INJECTOR NO. 1
BATTERY
Left quarter pillar
Front side of
left fender
Rear side of
intake manifold
(SHIELDED)
(SHIELDED)
(SHIELDED)
From ABS ECU
<18-2>
From Igniter
<2-4>
SHIELD (DED)
(*1)
R-L(*1)
BR-W
(*1)
BR-W
(*1)
BR-W
(*1)
B-R
B-R
B-R
GR-R
(A/T)
GR-R
(A/T)
V-G
V-G
B-Y
P-B
B-O
B-R
B-Y
B-W
B-O
W-R
W
AD
ENG
TC2
TE2
TE1
WA
FP
IPO
V-W
B-O
B-Y
W-R
W-B
G
V-W
B-O
GR
B-R
GY
B-Y
W-B
L
L-R
L-B
L-B
LG
LG
P-G
P-G
Y-L
Y-L
Y
BR
BR
BR
R-L
R-L
R-L
L-B
L-B
L-B
W
Y
B-W
B-O
B-O
B-O
B-O
B-O
B-O
B
OX2 OX1
VP2
VP1
TC TS
AB
SHORT PW
W-B
W-B
W-B
G
R-B
R
R-W
R-G
R-Y
R-L
B-O
B-O
B-O
B-O
B-O
B-O